BOSS_AC-2_维修手册电器原理图

BOSS_AC-2_维修手册电器原理图-找手册网
BOSS_AC-2_维修手册电器原理图
此内容为付费资源,请付费后查看
1921
立即购买
您当前未登录!建议登陆后购买,可保存购买订单
付费资源

第1页 / 共5页

第2页 / 共5页

第3页 / 共5页

第4页 / 共5页

第5页 / 共5页
已完成全部阅读,共5
THE END
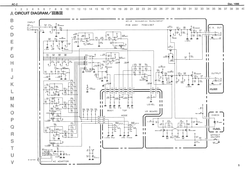
AC-2D8c1996回B▣SSAC-2SERVICE NOTESSPECIFICATIONS,/仕樣First EditionContoMOCE (STANDARD.JUMBO,ENHANCEJEDOL LEVEL.BODY.TOF.Podal SwtkchIssued by RJAIPUT.OUTTUT.EG.OUT.AC Adtor3月mInput Ipedanga.:1n-3nTABLE OF CONTENTS目次PageOu年tinpedarcs.---…:h1LOCATION OF CONTROLS6未人外镇风区(BUDY Knob:Cmict.TOP Knel:CemerSPECFICATIONS仕相。一Supply--EXPLOOED VIEW分解习.Cumer Drarw.-PAATS UST《-7刂只kAPPENDOX支34×4151特×131的mCIRCUIT BOARDAcceasoriesCherer's Masal I化dN第了1T2%1CHCUIT DIAGRAMg3&球W的B厅5066V022nDLOCATION OF CONTROLS//Y礻L外觀☒HEc2332-01-150(13斜497171PSACAUTION-225375对001】LED (REDL-34 HOSLPat.-(1502281004RD001-20 50KB (LEVEL)AC-2 Case1F32797241G201711413901-201080800m1F27974AC2PandF0902,201CB2T0FIG22171101F3279764000rROUND灯OBS LSsR阳M14011A228032间11311830←EG.oUTJack←OUTPUTHPUT长-JackHLJ0544-01-0108G-7713(134491501Acoustic(13449104SimulatorAC-2-G2Po由(G2187512)回E▣SSFOOT Base223573040012e2d518数10m日0402235730500Botom Cauion PSA2253740402Thumb Screw 3x1omm (BLACK)1401201011Rolend 17059853Dipyeghl C tmes Dy双Ae6父eGPrintod in Japan AFAO (DP)1
喜欢就支持一下吧
评论 抢沙发

请登录后发表评论

    请登录后查看评论内容