BOSS_AW-2_维修手册电器原理图

BOSS_AW-2_维修手册电器原理图-找手册网
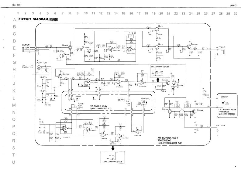
BOSS_AW-2_维修手册电器原理图
此内容为付费资源,请付费后查看
1921
立即购买
您当前未登录!建议登陆后购买,可保存购买订单
付费资源

第1页 / 共5页

第2页 / 共5页

第3页 / 共5页

第4页 / 共5页

第5页 / 共5页
已完成全部阅读,共5
THE END
810iAW-2DOSS AW-2 SERVICE NOTESLOCATION OF CONTROLS/Iバ礻配置图AUTO WAHFirst Edition4d山ptor Jac线LED IRedlSPECIFICATIONS/仕模HEg0470-o1-6间013449711PSA Caution-87250mTLN502919Oirdicator...122630538010-Check Indicaor Isees also s bottsry check indicanorlOOutput impedance0 Pesldual Noe.-一一iii一0d8 n or kem (lHF-ATeJ0对Bm=0万YPot.Cww&.p际DCSY :Dry Batlery I tpelK087111050kEAC Adepter IPSA-Serims oponl132月包98cDrew15mA (DCSV]00it时e5t*iii44444-…-4e701605的Hmm宁0UTUTINPUT G宁2-15°×4-1516”年2316ichSG7815#07SG713¥5410g/D.gbs (ncluding bapteryl414g1050Auto Wah1344101DY5005P9y06f220:Ns.17a03RTA西-2Owner Marual (dap4eed748.224716RFoot BaseOwner's Manual (Taplishl:PNo.25047117RT22350304001E回S日OOptiensAC Adpter :PSA-100.P8A-120.PSA-220.PSA-240Dry Banery :6AMEV [altsine)ll Knobs (Yellm时Podal224026100221875958TmEXPLODED VIEW/分解☒Switch-10sp4(1312971gThumb Serw310B0cCushion1222地03300间981090←OUTPUTNPUT冬Binding MachinePedel Guide3.1eFEC红22215979291川Auto Wahflattery ConneoorAW-22341041401)Irolation Spocor221G3000001G22020851003NSB1 PRBC IK0Roland17059620Ait4din海pan (BAE0时Gl1
喜欢就支持一下吧
评论 抢沙发

请登录后发表评论

    请登录后查看评论内容