BOSS_DB-11_维修手册电器原理图

BOSS_DB-11_维修手册电器原理图-找手册网
BOSS_DB-11_维修手册电器原理图
此内容为付费资源,请付费后查看
1921
立即购买
您当前未登录!建议登陆后购买,可保存购买订单
付费资源

第1页 / 共4页

第2页 / 共4页

第3页 / 共4页

第4页 / 共4页
已完成全部阅读,共4
THE END
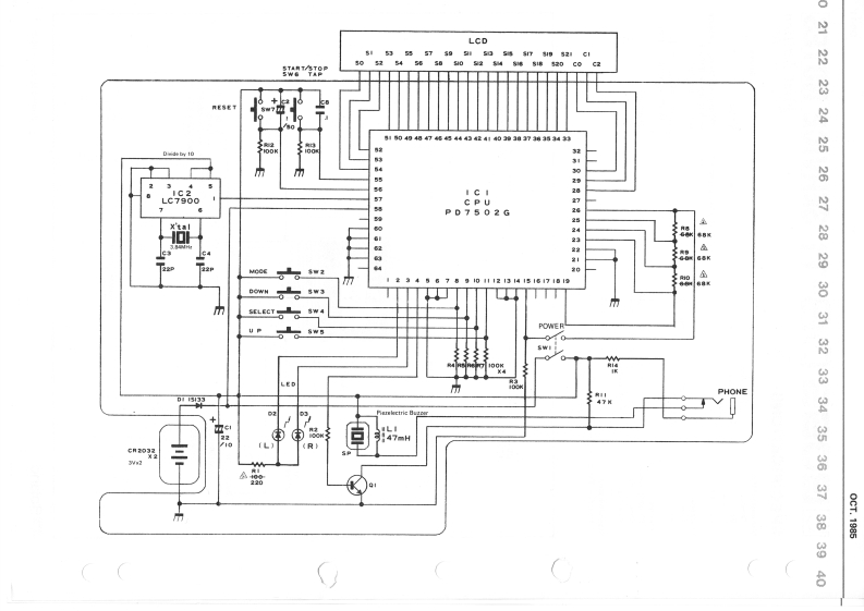
0CT.1985DB-11迈E▣SSDG-11SERVICE NOTESFirst EditionSPECIFICATIONSMetronome ModeSpeakerPiezo Electric SpeakerTempo:.=35to250Beat:0,1.2.3.4,5.6Power requirements6V DCRhythm:40m用Accuracy:±0.1%Battery Life Expectancy150 hours (In Metronome Modewith tempo set @100,con-Tap Modetinuous operation)Tempo:=35 to 250 (with Hi/Low indication)Beat:0,1.2.3,4,5,6Dimensions:49(W)x84(D)×18(H)1-14/15"X3-5/16"×11/16Tuner ModeChromatic ScaleC to B (12 notes,in semi tone steps)Weight:51g/2oz.Concert Pitch438 to 445 Hz (8 pitches,in 1Hz steps)Accuracy:±1cent(0.06%)Stopwatch ModeMaximum Timing Display:00 minute 00 second 00 to59 minutes 59 seconds 99LCD--LCD PanelLF5076G(2221075500j(15029428】Jack mini-Piezoelectric Buzzer(13449422)(123897491bo0bo0065E▣SSD-11SwitchS5J322(13159153)Button caseTop casered(2201068000)red(2201067600jblue(22010681001blue(2201067400】white(2201067900)white(2201067500】black(22010678001black(2201067700jRubber contact(2247077400)RolandPrinted in Japan BE-2 1
喜欢就支持一下吧
评论 抢沙发

请登录后发表评论

    请登录后查看评论内容