ESAB-LHF405Pipeweld-LHF615Pipeweld维修手册

ESAB-LHF405Pipeweld-LHF615Pipeweld维修手册-找手册网
ESAB-LHF405Pipeweld-LHF615Pipeweld维修手册
此内容为付费资源,请付费后查看
2931
立即购买
您当前未登录!建议登陆后购买,可保存购买订单
付费资源

第1页 / 共34页

第2页 / 共34页

第3页 / 共34页

第4页 / 共34页

第5页 / 共34页

第6页 / 共34页

第7页 / 共34页

第8页 / 共34页

第9页 / 共34页

第10页 / 共34页
试读已结束,还剩24页,您可下载完整版后进行离线阅读
THE END
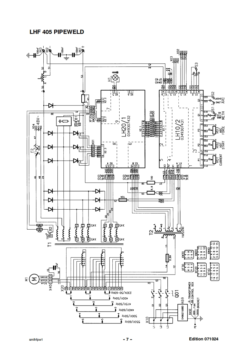
ESABLHF 405 PIPEWELDLHF 615 PIPEWELD0●Service manual0349300070071024Valid for serial no.422,423-xxx-xxxx
喜欢就支持一下吧
评论 抢沙发

请登录后发表评论

    请登录后查看评论内容