伊萨ESAB-66_Mech_Tig-4000i维修手册

伊萨ESAB-66_Mech_Tig-4000i维修手册-找手册网
伊萨ESAB-66_Mech_Tig-4000i维修手册
此内容为付费资源,请付费后查看
2931
立即购买
您当前未登录!建议登陆后购买,可保存购买订单
付费资源

第1页 / 共60页

第2页 / 共60页

第3页 / 共60页

第4页 / 共60页

第5页 / 共60页

第6页 / 共60页

第7页 / 共60页

第8页 / 共60页

第9页 / 共60页

第10页 / 共60页
试读已结束,还剩50页,您可下载完整版后进行离线阅读
THE END
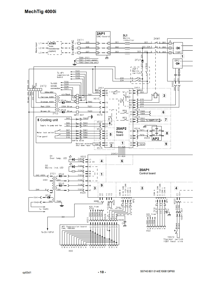
ESABAristo TMMechTig 4000iService manual0740801014100813Valid for serial no.652-xxx-xxxx to 950-xxx-xxxx
喜欢就支持一下吧
评论 抢沙发

请登录后发表评论

    请登录后查看评论内容