

第1页 / 共49页

第2页 / 共49页

第3页 / 共49页

第4页 / 共49页

第5页 / 共49页

第6页 / 共49页

第7页 / 共49页

第8页 / 共49页

第9页 / 共49页

第10页 / 共49页
试读已结束,还剩39页,您可下载完整版后进行离线阅读
THE END
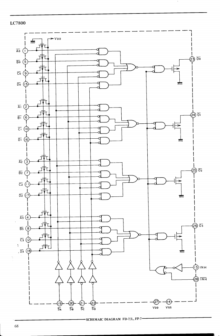
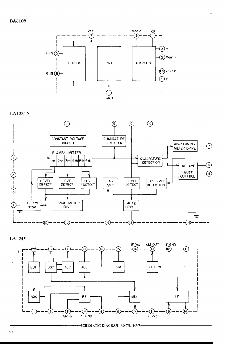
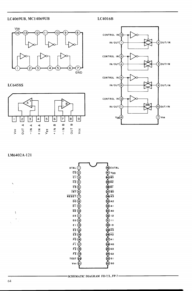
人KAIRTV servis HorvatKesinci,31402 SemeljciTel031-856-637Tel/fax:031-856-139Mob:098-788-319rtv-servis-horvat@os.tel.hrSECTION 4SCHEMATIC DIAGRAMMODEL F-7/L (FD-7/LiFP-7)TABLE OF CONTENTS1.SCHEMATIC DIAGRAM OF ICs,,,,·..··.·.···..·.,,······622.FD-7/L SYSCON BLOCK DIAGRAM·..··..···..·..,,..···793.FD-7 L POWER& BLOCK DIAGRAM....··,·,..··804.FD-7/L CONNECTION DIAGRAM.·.·,····,·.········815.FD-7 L CONTROL SCHEMATIC DIAGRAM,.·.·.·..···826.FD-7/L MAIN AMP SCHEMATIC DIAGRAM837.FD-7/L PRE AMP SCHEMATIC DIAGRAM848.FD-7 L FUNCTION SCHEMATIC DIAGRAM..·.·...··859.FD-7 TUNER SCHEMATIC DIAGRAM.........................8610.FD-7L TUNER SCHEMATIC DIAGRAM........................8711.FD-7/L FRONT END/REMOCON SCHEMATIC DIAGRAM812.FP-7 BLOCK DIAGRAM...................................8913.FP-7 SCHEMATIC DIAGRAM.,·,····.··········90SCHEMATIC DIAGRAM FD-7/L,FP-7-61
请登录后查看评论内容