

第1页 / 共12页

第2页 / 共12页

第3页 / 共12页

第4页 / 共12页

第5页 / 共12页

第6页 / 共12页

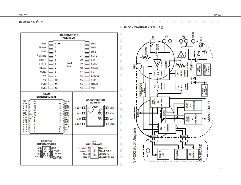
第7页 / 共12页

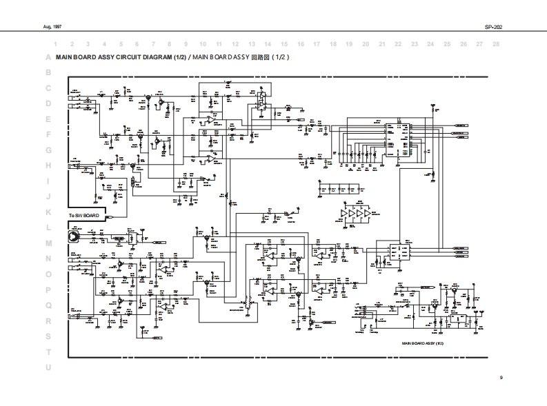
第8页 / 共12页

第9页 / 共12页

第10页 / 共12页
试读已结束,还剩2页,您可下载完整版后进行离线阅读
THE END
Aug 1997SP.202S尸-己▣己SERVICE NOTESSPECIF月CATIONS/主在仕棵First EditionPotohony啊陆数Dr.SampleIssued by RJA行福光家oaw…浮anTABLE OF CONTENTS目次PageL0CA0N0F00T氏09……片未k配风同****…29特年6黑-行E风00但DyEW+…*++……+++分同……354e线用:8WGP0C0阴E…………………了-9北一プ0方法…5白中)乎脑数出端0顶NT……+6iFene84-CCUT0CM&日04D++**+**…间路同&基板同·**+*…+**…*·B✉12的裤业:岩☒E▣SS0-5amp格R-202”8aew6e9路2541-dn收11208翔落:g白总《湿5:隔2纪c程经离上,国0梦打mmd ona品m2京1418然混14 a[nd ngta时品1镜a4解4a陵梯:后Copy right⊙19的7 by ROLAND CORPORATON器影0…ROLAND CORPORATON本号一器.名儿《日全留老断〔传写,标置寸石二上老研北主中,Roland 17059900
请登录后查看评论内容