

第1页 / 共21页

第2页 / 共21页

第3页 / 共21页

第4页 / 共21页

第5页 / 共21页

第6页 / 共21页

第7页 / 共21页

第8页 / 共21页

第9页 / 共21页

第10页 / 共21页
试读已结束,还剩11页,您可下载完整版后进行离线阅读
THE END
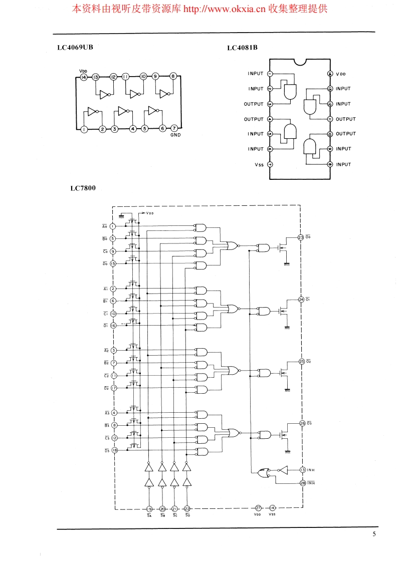
本资料由视听皮带资源库http:/www.okxia.cn收集整理提供AKAIMODELGX-9SCHEMATIC DIAGRAMAND PC BOARDSTABLE OF CONTENTS1.SCHEMATIC DIAGRAM OF ICs .........................22.MI-CON OUTPUT TIMING CHART (1).....................63.MI-CON OUTPUTTIMING CHART(2).....................94.MI-CON OUTPUT TIMING CHART (3).....................105.MI-CON OUTPUT TIMING CHART(4).....................116.CONNECTION DIAGRAM...............................127.METER/OPERATION PC BOARD,POWER SWITCH PC BOARD,REMOTE CONTROL PC BOARD,MOTOR PC BOARD.........138.PRE AMP/POWER SCHEMATIC DIAGRAM..···.·..··..149.PRE AMP/POWER PC BOARD,HEAD PHONE PC BOARD.....1510.SYSCON/TUNING SCHEMATIC DIAGRAM.................1611.SYSCON/TUNING PC BOARD............................171
请登录后查看评论内容