DD-3T_维修手册电器原理图_3rd

DD-3T_维修手册电器原理图_3rd-找手册网
DD-3T_维修手册电器原理图_3rd
此内容为付费资源,请付费后查看
1921
立即购买
您当前未登录!建议登陆后购买,可保存购买订单
付费资源

第1页 / 共10页

第2页 / 共10页

第3页 / 共10页

第4页 / 共10页

第5页 / 共10页

第6页 / 共10页

第7页 / 共10页

第8页 / 共10页

第9页 / 共10页

第10页 / 共10页
已完成全部阅读,共10
THE END
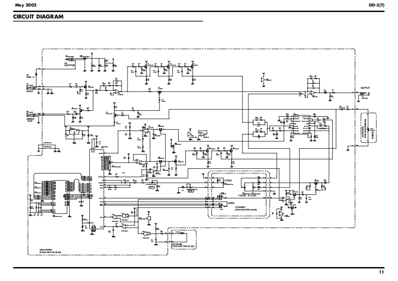
May 2002DD-3(T)回E▣68PP-3DSERVICE NOTESThird EditionDigital DelayIssued by RJASPECIFICATIONS......2LOCATION OF CONTROLS,PARTS LIST.....3EXPLODED VIEWPARTS LIST..4PARTSADJUSTMENTS....8CIRCUIT BOARD......9CIRCUIT DIAGRAM...10WARNINGThere are three types of DD-3(T)with different circuitry called "DD-3","DD-CHECK3Aand "DD-3B".The pedals of all three types are labeled "DD-3".L800ms、H0LD●We call the new type of this model,DD-3B for identifying the old type andE.LEVEL F.BACKD.TIMEnew type for convenience on service system.Check the model name as follows.Of the three types,only the appearance of the "DD-3"is different.Identify the"DD-3"or the "DD-3A or DD-3B"by the shape of the adapter jack as shown in●●●the following figure.Theappearance of the"DD-3A"and the"DD-3B"are the same.Due to aMN MAX MIN MAX哥MODEDRAM change,it has been changed to "DD-3B"from serial No.SO91200 of1912LOT (produced in August 2001).It can be identified by the serial numberThe"DD-3A"and "DD-3B"can also be identified by the silk-screen printingon the board.←OUTPUTINPUT←When referring to the service notes or ordering parts,check the model nameusing the above process.DIRECT OUTThis service note is for the "DD-3B".Refer to "DD-3A SER VICE NOTES"(#17059557)when repairing the DD-3A.Variable resistor,switch andmechanical parts for the "DD-3A"and "DD-3B"are compatible.Refer to "DD-2/3 SER VICE NOTES"(#17059183)when repairing the DD-3.Digital DelayDD-3回口⑤E▣SDD-3A or DD-3BDD-3Copyright 2002 ROLAND CORPORATIONAll rights reserved.No part of this publication may be reproduced in any form without the written permissionof ROLAND CORPORATION.Roland17059557E3Printed in Japan(0800)(AS)
喜欢就支持一下吧
评论 抢沙发

请登录后发表评论

    请登录后查看评论内容