DF-2_维修手册电器原理图

DF-2_维修手册电器原理图-找手册网
DF-2_维修手册电器原理图
此内容为付费资源,请付费后查看
1921
立即购买
您当前未登录!建议登陆后购买,可保存购买订单
付费资源

第1页 / 共4页

第2页 / 共4页

第3页 / 共4页

第4页 / 共4页
已完成全部阅读,共4
THE END
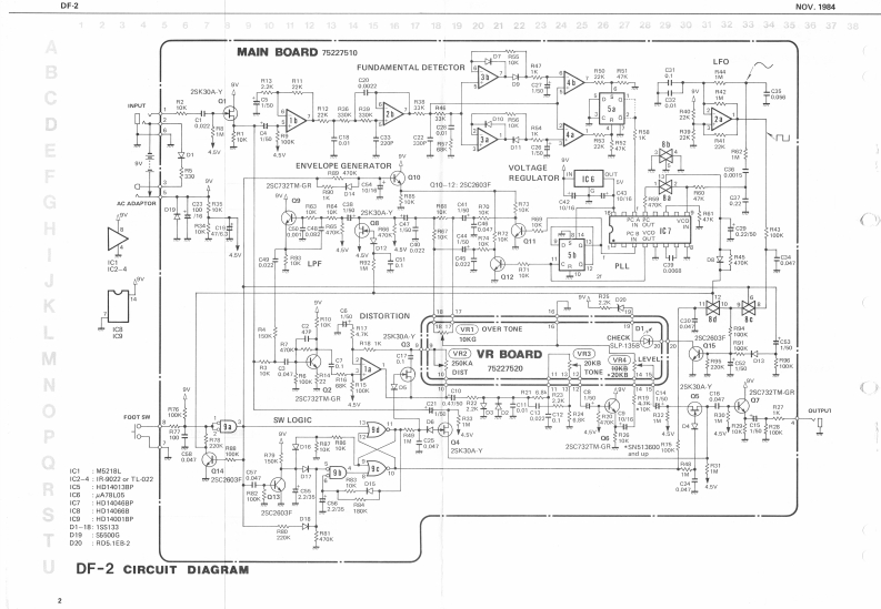
N0V,1984DF-2⑤E▣GSPF-2SERVICE NOTESTRANSISTOR2X多First EditionL512910%2SC732TM-CRSPECIFICATIONS1512913728C2603-28-E151J9L012SKJ0ATH-YFETPgeBV Battery or AC adbgtor (ACA-120,220 or 240110mA at BVD0DE夕才-Hhpuit Imoedarce1I115019125155-13310K min15019209T0-5500G口n=UBnt(W)x 55H)x 125ID]mm15019523RD5.IEN-3234“1Mx23/18“1H9×4.1516D15029117SLP-1358D450/1.ACK罗"y713449704H2c-0749-01-010AC adaptor134401058G-76151OUTPUTH器134491048G-77134IMPUTSWITCH入《?子KAPSSATS 253A13129710JH-0404yV生姓地OTENTIOMETER求V3-413279742EVJ-2KAP15G14 10KGCEITONE13279762EVJ-2KAP15824 20KB13279763EVJ-2KAP15AFS 250KADIST114nRES1ST0R摄1980915T0R-1602211/69513809173R-160100513B09185T0.-161U33001/6w2242213B091970-1601K1/6EE1380920Sg-1602.21/6四2710201380921370-1604.7K1/6W513B09217T0-1601350922170-161CK/66品器37oa136092297-1602213609233701/65算13809237T0R-1601/6w513809241T0-160681/6PARTS LIST13609245T0R-16U1001/6138092490-160150K1/65CASE-又1sB092510R-16U180220101790015B092537-160220W1/613B09257T0-16U31/6四2221043]00Fanel13B092610-160470K1/62202011600c写eT商战hotton22350050013B0926gR-1601Hase2218053600Pedal代ELECTROLYTIC CAPACITOR (miniature)置解3于之廿(二子1了型》7 edal Mat岁7,13629416SRE0.22F/072247025900K■c52了0 orang列13629401SRE 0.47HF/30PCB ASSEMBLY题板完收品13629402SRE 1F/S0V13629383(P×+2292010500)V家IHaH/VR BARD5RE2.2F/357522751013629346SRE 10F/16V12629209SRE4九uF/6.3IC15159101013629150J05RB100:F/16THD1400127quad KOB gate15159105a0HD140132Pdual D flip-flepOTHERS)15159】】5DHD140567quad analeg aviteh2215070201Guide Boshing15189115C0I8-9022oP arp2226033300Cushion(or15189115TL-022)2217010900Co1l Spring灵71y,3415189136OP ane236104140015199109F01A105V.BGL2216052900清明clear151591110HD140462P1L.Plastic Sheet了9天于4学y·乡一RolandPrinted in Japan BE2 1
喜欢就支持一下吧
评论 抢沙发

请登录后发表评论

    请登录后查看评论内容