

第1页 / 共66页

第2页 / 共66页

第3页 / 共66页

第4页 / 共66页

第5页 / 共66页

第6页 / 共66页

第7页 / 共66页

第8页 / 共66页

第9页 / 共66页

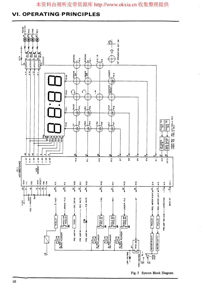
第10页 / 共66页
试读已结束,还剩56页,您可下载完整版后进行离线阅读
THE END
本资料由视听皮带资源库http:www.okxia.cn收集整理提供说6通五气STEREO TAPE DECKMODELGX.77THIS MANUAL IS ALSO APPLICABLE TO BOTH SILVERAND BLACK PANEL MODELSSECTION 1SERVICE MANUAL.·,,·3SECTION 2 PARTS LIST .........................45SECTION 3SCHEMATIC DIAGRAM................651
请登录后查看评论内容