GM-70_维修手册电器原理图

GM-70_维修手册电器原理图-找手册网
GM-70_维修手册电器原理图
此内容为付费资源,请付费后查看
1921
立即购买
您当前未登录!建议登陆后购买,可保存购买订单
付费资源

第1页 / 共10页

第2页 / 共10页

第3页 / 共10页

第4页 / 共10页

第5页 / 共10页

第6页 / 共10页

第7页 / 共10页

第8页 / 共10页

第9页 / 共10页

第10页 / 共10页
已完成全部阅读,共10
THE END
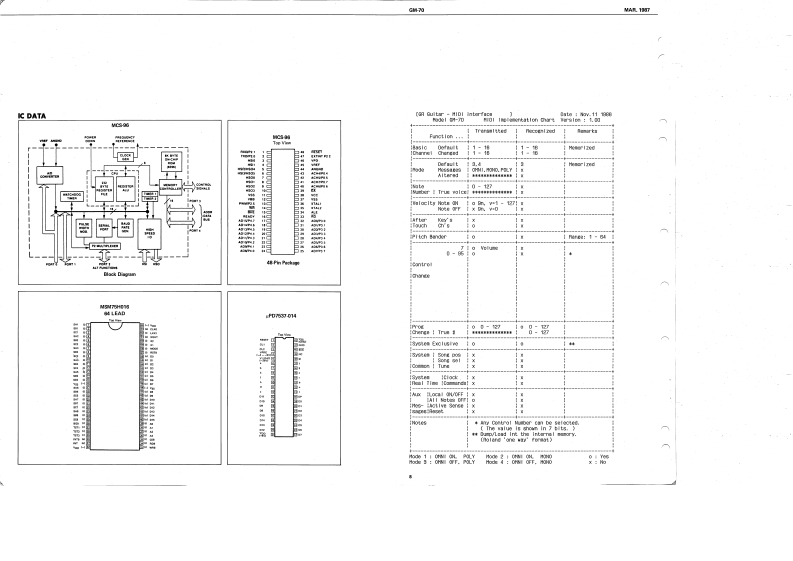
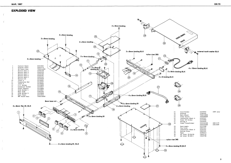
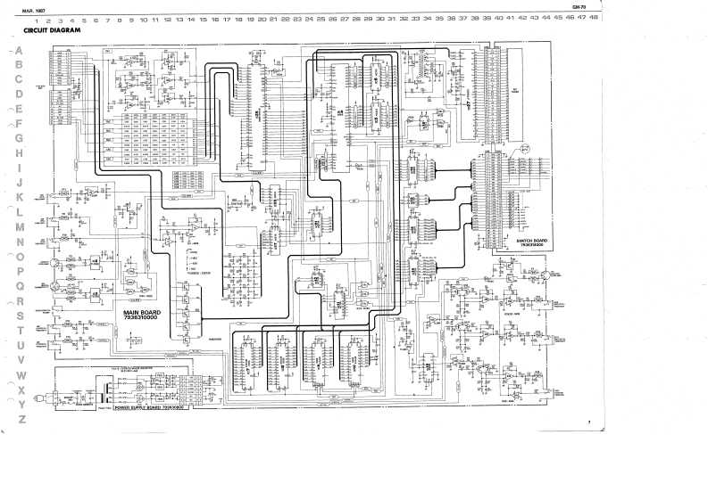
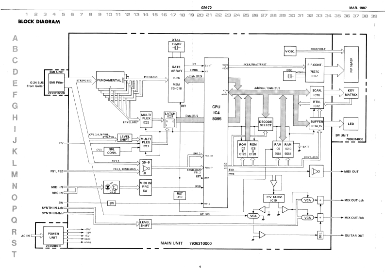
MAA.1967GM-70GM-70SERVIGE NOTESTT EdEiOmSPECIFICATIONSG1501222A3到CUTPUTGLITAR RXNIX L BK日x口INPUTSTNTH L SIKS240w22DIMENSO线4☒州。61山44010M10两00s1-140机WEIGHT4a0b12a224001G1)ACCESSONIESC0NNeG1CW000UP25t4.2340时%0▣1NIDI CAILESN t No.3512511辆MEn山M4 NUALI0T0N特F00T0木TA0 LLER R6t00CXPRESSICN PEDAL EV6(0TABLE OF CONTENTS目次PagePARTS LIST/-y又卜2EXPLODED VIEW分解回35满E为CC点PFromt Pwel-PIP问292引BLOCK DIAGRAMプ口以☒g122211e311严P450用1509r1TDBRIEF DESCRIPTIONブ口y夕脱明5CHANGE INFORMATION銮吏案内6SWITCH BOARD入个少于基板6.7Tc409111112400品温EMI BOARDM基板67POWER SUPPLY BOARD電源基板67MAIN BOARD个基板6.7图IC DATA1Cデ一9MIDIMIDI8-106317000113440140134RolandPrintad in Japan BB-2 LH
喜欢就支持一下吧
评论 抢沙发

请登录后发表评论

    请登录后查看评论内容