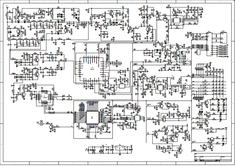
Baofeng–UV-5R-维修电器原理图手册找手册网30天前发布关注私信1.70MB1页042Baofeng–UV-5R-维修电器原理图手册此内容为付费资源,请付费后查看¥19¥21黄金会员免费钻石会员免费登录购买付费资源 第1页 / 共1页 已完成全部阅读,共1页 THE END宝峰 文本预览 “纯蛋进中宇 查看更多 收起部分 喜欢就支持一下吧收藏
请登录后查看评论内容