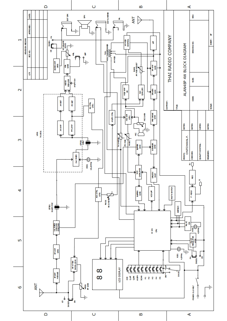
Midland-Alan_48-_Multi_B_ENG维修说明书手册含电气原理图

Midland-Alan_48-_Multi_B_ENG维修说明书手册含电气原理图-找手册网
Midland-Alan_48-_Multi_B_ENG维修说明书手册含电气原理图
此内容为付费资源,请付费后查看
1921
立即购买
您当前未登录!建议登陆后购买,可保存购买订单
付费资源

第1页 / 共31页

第2页 / 共31页

第3页 / 共31页

第4页 / 共31页

第5页 / 共31页

第6页 / 共31页

第7页 / 共31页

第8页 / 共31页

第9页 / 共31页

第10页 / 共31页
试读已结束,还剩21页,您可下载完整版后进行离线阅读
THE END
CAM350 PRO V 7.0 Tue Feb 03 13:19:42 2009 -(Untitled)809rm214004B+5100-11000-0088988JAN.16,2009E由36时T40E37007型10AB-689368888818
喜欢就支持一下吧
评论 抢沙发

请登录后发表评论

    请登录后查看评论内容