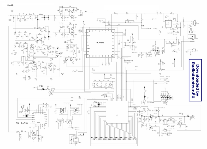
Baofeng_UV-3R_参考电器原理图找手册网29天前发布关注私信1.72MB2页038Baofeng_UV-3R_参考电器原理图此内容为付费资源,请付费后查看¥19¥21黄金会员免费钻石会员免费登录购买付费资源 第1页 / 共2页 第2页 / 共2页 已完成全部阅读,共2页 THE END宝峰 文本预览 5AHTFV ALDAMPRF ICAUDO AUPhdd今FMAU0CTS IH⊙0VOX_DETKEYMCUAUDO EHLA使-UVRLCDDownloaded byRadioAmateur.EU 查看更多 收起部分 喜欢就支持一下吧收藏
请登录后查看评论内容