Midland_210DS_ENG维修说明书手册含电气原理图

Midland_210DS_ENG维修说明书手册含电气原理图-找手册网
Midland_210DS_ENG维修说明书手册含电气原理图
此内容为付费资源,请付费后查看
1921
立即购买
您当前未登录!建议登陆后购买,可保存购买订单
付费资源

第1页 / 共11页

第2页 / 共11页

第3页 / 共11页

第4页 / 共11页

第5页 / 共11页

第6页 / 共11页

第7页 / 共11页

第8页 / 共11页

第9页 / 共11页

第10页 / 共11页
试读已结束,还剩1页,您可下载完整版后进行离线阅读
THE END
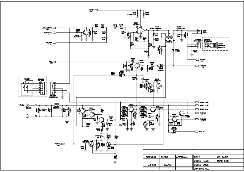
四卡34E行转4的户中盆内L点g可品|w。e-AM MOOW/卡-函H用6角。入量。通套囊美DRAWINCCHECKAPPROVALTITLECB RADIOMODEL NAME210DA5www.cbradio.nlJ.S.KIWJS.KIMWODEL CODEDRA春NGNO.
喜欢就支持一下吧
评论 抢沙发

请登录后发表评论

    请登录后查看评论内容