

第1页 / 共37页

第2页 / 共37页

第3页 / 共37页

第4页 / 共37页

第5页 / 共37页

第6页 / 共37页

第7页 / 共37页

第8页 / 共37页

第9页 / 共37页

第10页 / 共37页
试读已结束,还剩27页,您可下载完整版后进行离线阅读
THE END
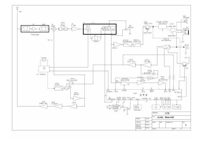
Base Camp 446TECHNICAL DESCRIPTIONA).GENERAL DESCRIPTIONThe BASE CAMP 446 is a self-contained transceiver unit with integralantenna intended for use as a general communication tool.It is designed tooperate on all 75 channels allocated by the CE for the licensed PMR&LPD.This model also features a CTCSS system with 38 pre-defined,userselectable sub-audible tones for channel quieting.The useable range,whiledependent upon terrain and other radio propagation principles,is typically tenmiles.The BASE CAMP 446 uses the maximum transmit power allowed tohelp ensure the maximum communication range.Features include 57 Marine Channels,AM&FM Radio,Watch,and 75PMR&LPD Channels with 38 CTCSS codes,Channel Monitor,Page and LCDDisplay.The unit is equipped with an external Headset option connector.Four AA alkaline batteries and Battery pack(NI-MH)that are readily availablein retail outlets supply operating power.An automatic power savings featureallows the typical standby battery life to extend to more than 3 days.B).FREQUENCY DETERMINING CIRCUITSThe fundamental frequency for both the transmitter and the receiverlocal oscillators are controlled by a phase lock loop (PLL)circuit IC102(GP214D,or equivalent).The frequency of operation of the GMRS voltagecontrolled oscillator (VCO),composed of Q142,143 operating in cascade isphase locked to a voltage controlled crystal reference (VCXO)operating at20.95MHzX102).The VCO is locked to the fundamental of the transmit signal in the transmitmode and is locked to the receive 1st LO (Fundamental channel frequencyminus 21.4MHz)in the receive mode.The crystal reference frequency isshared with the 2 LO of 20.95MHz.C).TRANSMITTER CIRCUITSThe transmitter amplifies the 0dBm signal from the VCO toapproximately 35dBm that is fed to the antenna.The transmitter is a threestage amplifier composed of Q20,203,204 and Q205.The first two stages areoperated cass A and the final is operated class B in full saturation to helpprevent unwanted amplitude modulation.The fundamental transmit signal isfed through an elliptical low pass filter(5-pole,2 zero)in order to suppress theharmonics to below-50dBc.The desired frequency modulation of the carrieris accomplished by modulating the current in the VCO directly with themicrophone audio signal.The microphone audio is conditioned with a three-pole high pass filter at 300Hz (IC201 A,B),a hard clipper circuit(IC4 C,D)toPage I
请登录后查看评论内容