Mackie-SWA1801_Amp_电器原理图

Mackie-SWA1801_Amp_电器原理图-找手册网
Mackie-SWA1801_Amp_电器原理图
此内容为付费资源,请付费后查看
1921
立即购买
您当前未登录!建议登陆后购买,可保存购买订单
付费资源

第1页 / 共5页

第2页 / 共5页

第3页 / 共5页

第4页 / 共5页

第5页 / 共5页
已完成全部阅读,共5
THE END
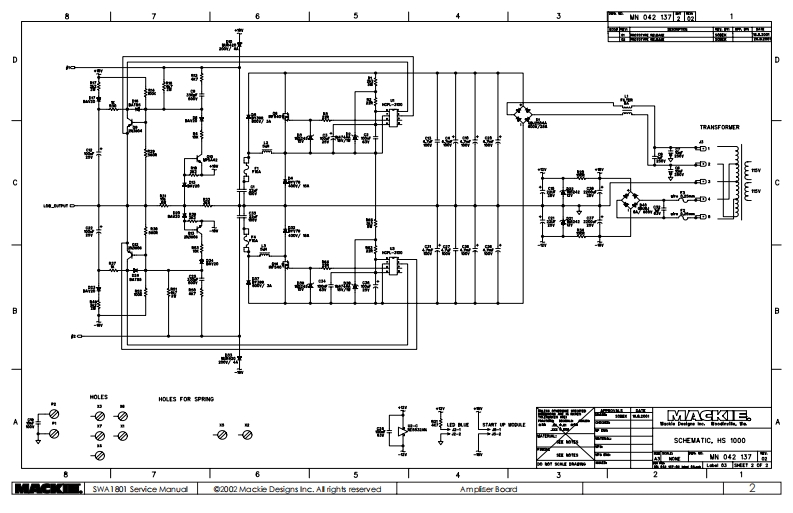
&w042157D最ks控在罗3器6七TRG☒E.ASCHEVATIC.HS 100004157rEX1521SWA1801 Service Manud82002 Mackie Designs Ine.All rights reservedAmpiser Board
喜欢就支持一下吧
评论 抢沙发

请登录后发表评论

    请登录后查看评论内容