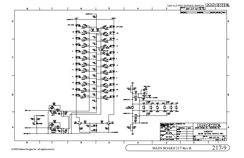
mackie_1202-vlz_pro_电器原理图ematic_diagram

mackie_1202-vlz_pro_电器原理图ematic_diagram-找手册网
mackie_1202-vlz_pro_电器原理图ematic_diagram
此内容为付费资源,请付费后查看
1921
立即购买
您当前未登录!建议登陆后购买,可保存购买订单
付费资源

第1页 / 共14页

第2页 / 共14页

第3页 / 共14页

第4页 / 共14页

第5页 / 共14页

第6页 / 共14页

第7页 / 共14页

第8页 / 共14页

第9页 / 共14页

第10页 / 共14页
试读已结束,还剩4页,您可下载完整版后进行离线阅读
THE END
1202 VLZ PRO SERVICE MANUAL500217-03HN日DDE招智智75起B常R冷县1tA”航Cun/2,0a1704-2-6的wA丽732199 Mackcie DesigsIn.All rightseservedMAIN BOARD 217 Rev B217-1
喜欢就支持一下吧
评论 抢沙发

请登录后发表评论

    请登录后查看评论内容