Mackie_1402-VLZ_Service_Manual维修服务手册含电器原理图_-_Schematic电器原理图s

Mackie_1402-VLZ_Service_Manual维修服务手册含电器原理图_-_Schematic电器原理图s-找手册网
Mackie_1402-VLZ_Service_Manual维修服务手册含电器原理图_-_Schematic电器原理图s
此内容为付费资源,请付费后查看
1921
立即购买
您当前未登录!建议登陆后购买,可保存购买订单
付费资源

第1页 / 共12页

第2页 / 共12页

第3页 / 共12页

第4页 / 共12页

第5页 / 共12页

第6页 / 共12页

第7页 / 共12页

第8页 / 共12页

第9页 / 共12页

第10页 / 共12页
试读已结束,还剩2页,您可下载完整版后进行离线阅读
THE END
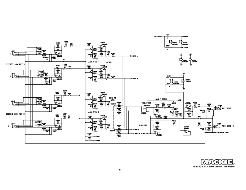
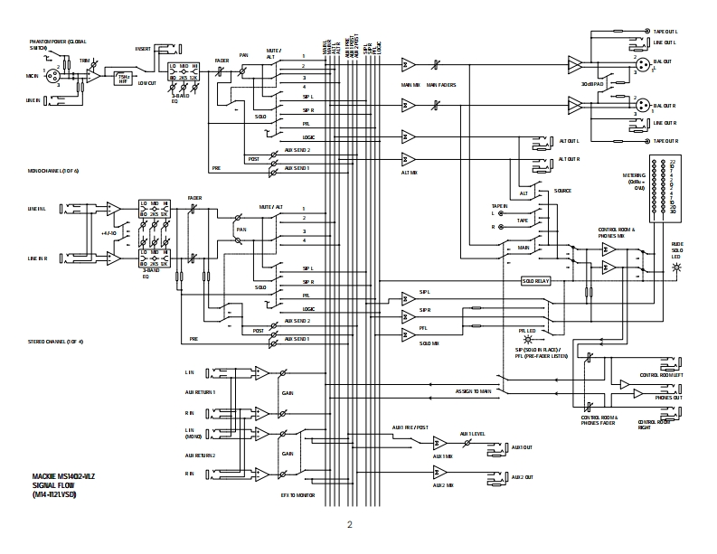
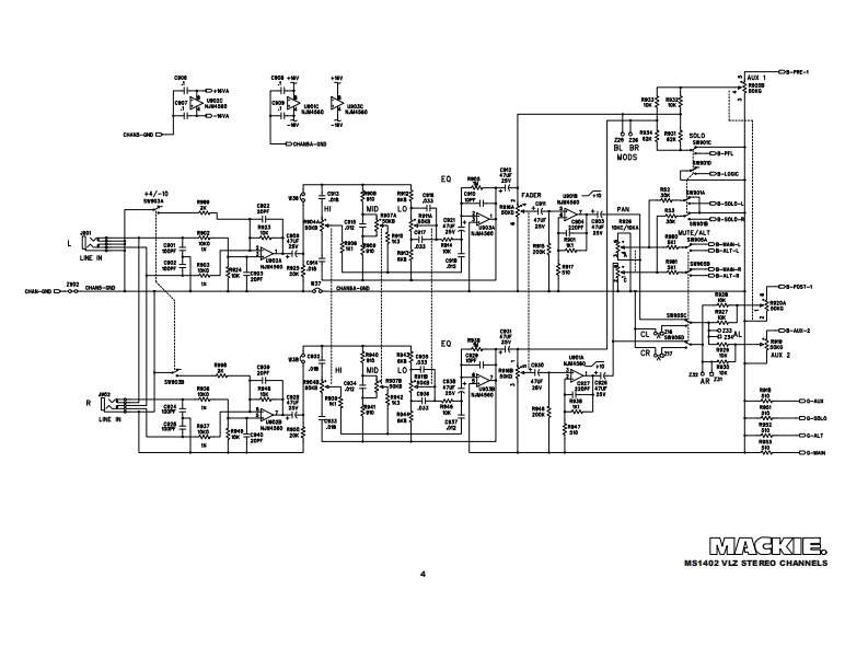
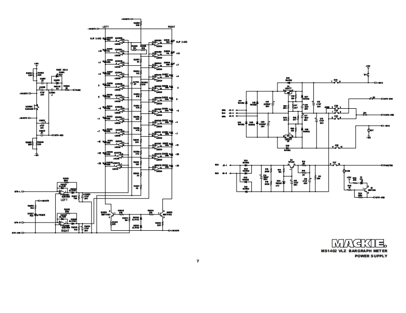
MICROSERIES1402-VLZ"MIC/LINE MIXERSERVICE MANUALContentsPg.Quick Parts1Block Diagram2Schematics3-7PCB Layout8-11Click to openMACKIE DESIGNS INC..16220 WOOD-RED ROAD.WOODINVILLE.WA 98072.USA820-169-0005/99HOME
喜欢就支持一下吧
评论 抢沙发

请登录后发表评论

    请登录后查看评论内容