Mackie_ART500A_Active_Speaker_Schematic电器原理图s

Mackie_ART500A_Active_Speaker_Schematic电器原理图s-找手册网
Mackie_ART500A_Active_Speaker_Schematic电器原理图s
此内容为付费资源,请付费后查看
1921
立即购买
您当前未登录!建议登陆后购买,可保存购买订单
付费资源

第1页 / 共7页

第2页 / 共7页

第3页 / 共7页

第4页 / 共7页

第5页 / 共7页

第6页 / 共7页

第7页 / 共7页
已完成全部阅读,共7
THE END
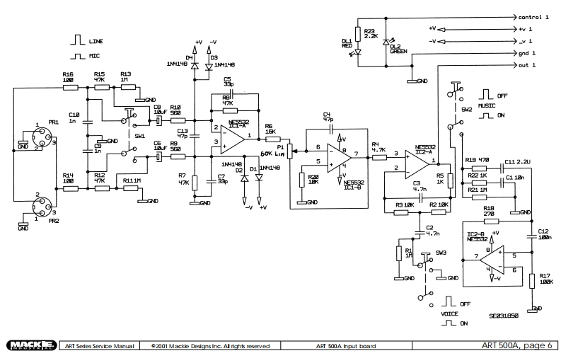
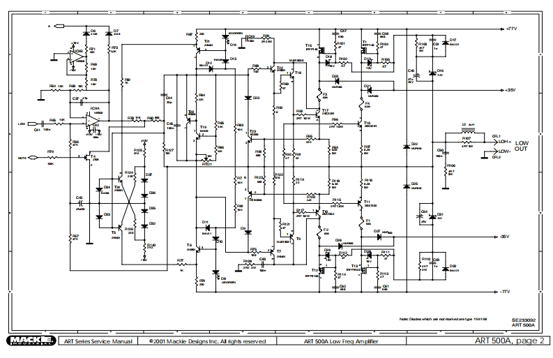
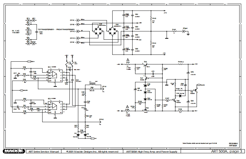
年2002004MAEKEART Series Service Manual e2001 Mackie Designs Ine.Al rights reservedART 500A CrossoverART500A,page1☐
喜欢就支持一下吧
评论 抢沙发

请登录后发表评论

    请登录后查看评论内容