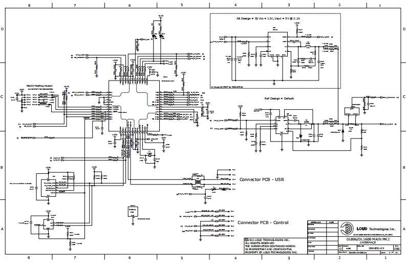
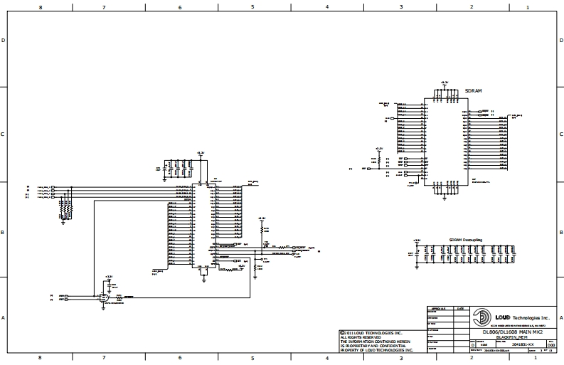
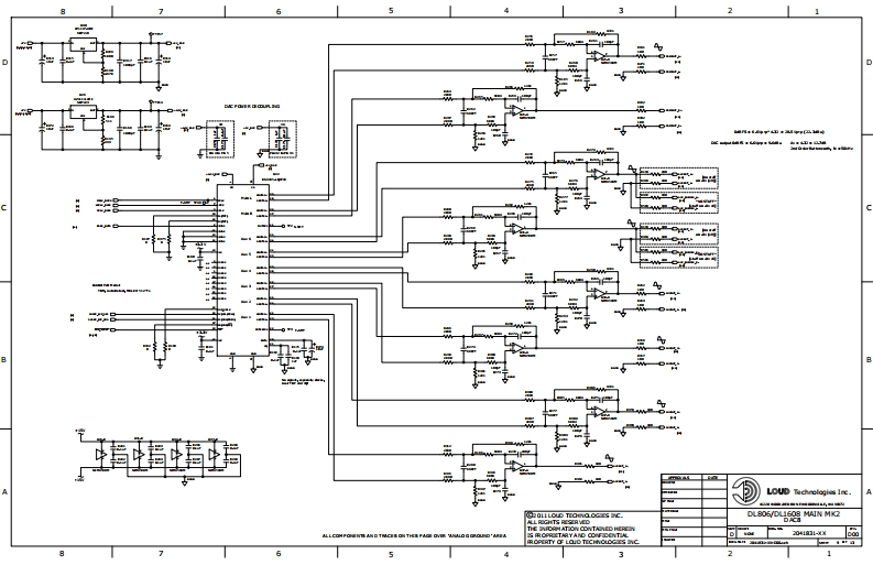
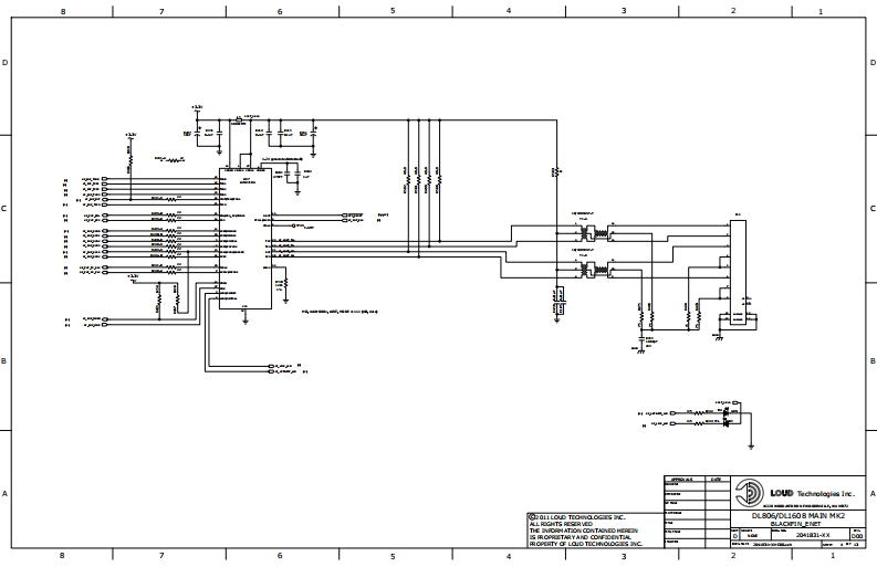
Mackie_DL806-_DL1608_Main_MKII_Schematic电器原理图s

Mackie_DL806-_DL1608_Main_MKII_Schematic电器原理图s-找手册网
Mackie_DL806-_DL1608_Main_MKII_Schematic电器原理图s
此内容为付费资源,请付费后查看
1921
立即购买
您当前未登录!建议登陆后购买,可保存购买订单
付费资源

第1页 / 共13页

第2页 / 共13页

第3页 / 共13页

第4页 / 共13页

第5页 / 共13页

第6页 / 共13页

第7页 / 共13页

第8页 / 共13页

第9页 / 共13页

第10页 / 共13页
试读已结束,还剩3页,您可下载完整版后进行离线阅读
THE END
531a。卡awD■■B0▣平0层是LOUD Tuchrelogios Ine.D805/DL1608M41NM22041a3100
喜欢就支持一下吧
评论 抢沙发

请登录后发表评论

    请登录后查看评论内容