Mackie_DLM_Nano_Shadow_Schematic电器原理图s

Mackie_DLM_Nano_Shadow_Schematic电器原理图s-找手册网
Mackie_DLM_Nano_Shadow_Schematic电器原理图s
此内容为付费资源,请付费后查看
1921
立即购买
您当前未登录!建议登陆后购买,可保存购买订单
付费资源

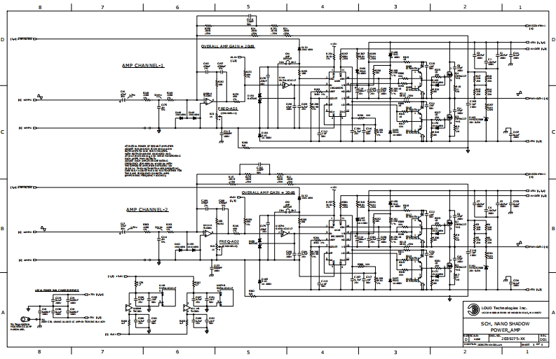
第1页 / 共5页

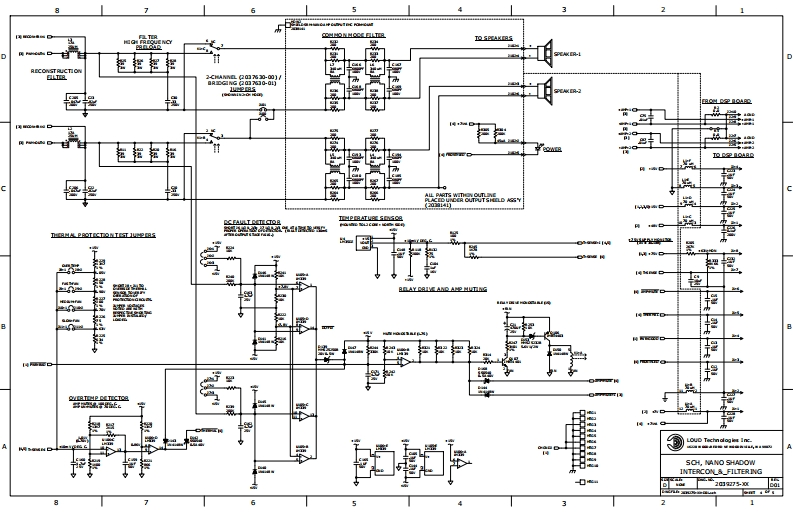
第2页 / 共5页

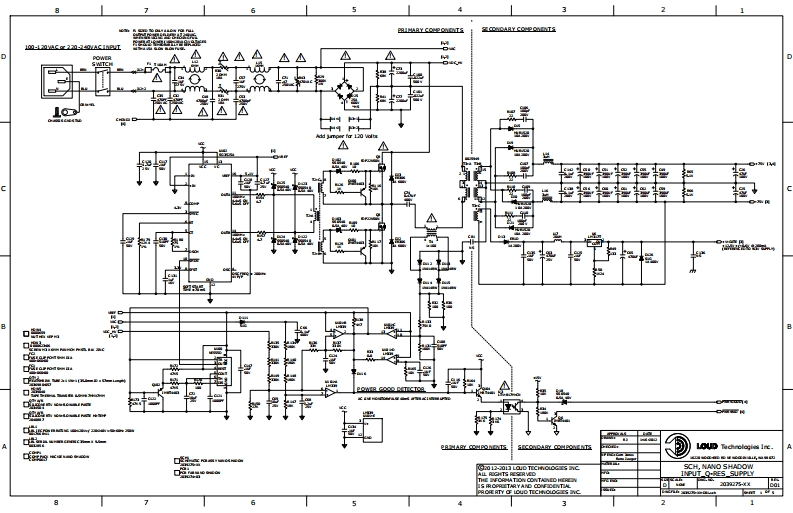
第3页 / 共5页

第4页 / 共5页

第5页 / 共5页
已完成全部阅读,共5
THE END
321型型昆装PRINABY COOPOOOTSCODABY COOPOOETSDPOWER△△△△△D△C雪CY OSAONAINOY:SOCONDABY COMPONENTSLOUD Tuchrelogies Ine.好012-2 LOUD NCSCH NANO SHADOW。T200275-3美51
喜欢就支持一下吧
评论 抢沙发

请登录后发表评论

    请登录后查看评论内容