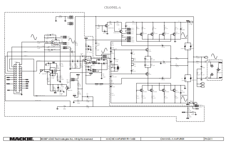
Mackie_FR_1400_电器原理图找手册网4小时前发布关注私信1.25MB5页021Mackie_FR_1400_电器原理图此内容为付费资源,请付费后查看¥19¥21黄金会员免费钻石会员免费立即购买您当前未登录!建议登陆后购买,可保存购买订单付费资源 第1页 / 共5页 第2页 / 共5页 第3页 / 共5页 第4页 / 共5页 第5页 / 共5页 已完成全部阅读,共5页 THE ENDMackie 文本预览 CHANNEL-A2007 LOUD Technoboges he.Allrights reservedMACE AMP山FIER FR,140OCHANNEL AAMPLFIERPAGE 1 查看更多 收起部分 喜欢就支持一下吧收藏
请登录后查看评论内容