

第1页 / 共14页

第2页 / 共14页

第3页 / 共14页

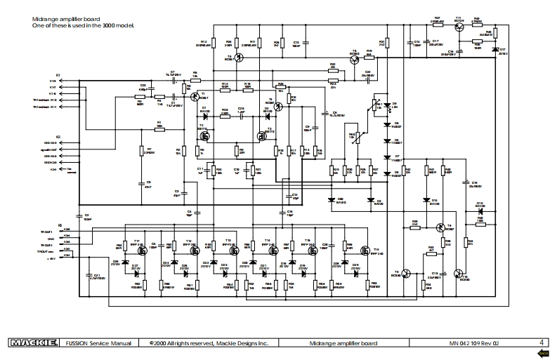
第4页 / 共14页

第5页 / 共14页

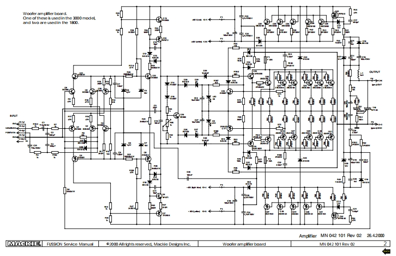
第6页 / 共14页

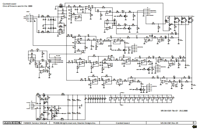
第7页 / 共14页

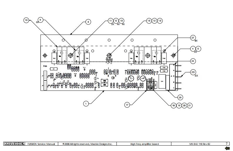
第8页 / 共14页

第9页 / 共14页

第10页 / 共14页
试读已结束,还剩4页,您可下载完整版后进行离线阅读
THE END
FUSSION SERES PARTS L可PWR 1800.SPARTCeSC用例1心NQ1YBOA四PAGENUEER1309040▣ECRECONE KIT FS18-PWR1800S:PART #114800113309070面家RCABNE目3000正NLE3a20s0正WaE心p3酒9阅LLOGOFRONT4113酒2治50LBL FUON BILE40配0CABINEIFEETPWR 1800-SA21110270WOOFER FS18-PWRI800SRECONE KIT FS18-PWR1800S:PART #11480011204210卫0CB1四-务P2引0到0四CBR1四-锅P115W02D四NPUI BOARDN21G四生里PGE1日0卫D正CAPBOARD IORL A摩MN 0S1 401SEE PAGE1102的AR230M115V0和订CO11阳PUI BOAR21w4s215红里PGE143羽040HO证C应309070取度CATE口32140日之M中9L330013酒5到LLOGOSPIRFRONT44133酒2站50BL FUON BIE32站100OMNE度SMUA心AT4E1E更14300VENT PLASIC GALLEPWR 30002tt1㎡0DOFER FS1记Wp阳0四RECONE KIT FS12W-PWR3000 PART#211102402tt1应0WOOER FSCB-PWR3O230204DCB ASSY LE白21010相94日0A乳1E日g0RECONE KIT FSTC8-PWR3000 PART#21110260210m0型和0MN 042 109里4GE4502和西IO面NAITH AMPUNERCARDMN 02 110红亚PGE6702D0的CONROLCARDMN 044 501义里PGE890卫D0912aON卫1正女亚GE1日C93R白OLAPMN4红GE1dMN西I4四02和09OWER SLPPLY2刀115W02面103D面WAI1RR应ORER02的1150WA11f积A应心R准R052日121sD属T AMPURE度CR白MN 02 101里%230型的N010GE1425D正ILRE0PR1四31阳04DEAISIK PWRO四39040HO证CA应30900度CABNET33153314100aR怡O四3321日0ROECION心RLE330010SEE HANOLE BAR4正O证心P3%100四ONERS MAN风40010HOA ME90440020CABNEIFEET440020VENT PLASIC CALLEMAYFUSSION Service Manuale2000 Allrights reserved,Mackie Designs ineMASTER PARTS LIST1□恤
请登录后查看评论内容