

第1页 / 共52页

第2页 / 共52页

第3页 / 共52页

第4页 / 共52页

第5页 / 共52页

第6页 / 共52页

第7页 / 共52页

第8页 / 共52页

第9页 / 共52页

第10页 / 共52页
试读已结束,还剩42页,您可下载完整版后进行离线阅读
THE END
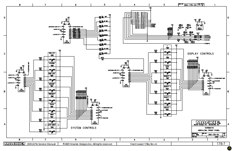
50-78-00N5D空BREC READY 1-8REC READY 9-16MAGKESCHEMATICHtm24/快FRONT PA延E0-4001721aYED☒EHDR24W96 Service Man✉62001 Mackie Designs ine.Al right reservedFront board 178a RevA178.1This is a colkection of all the 1 1x17 inch pages,useful ifyou want toprint all the large pages at once.⊙
请登录后查看评论内容