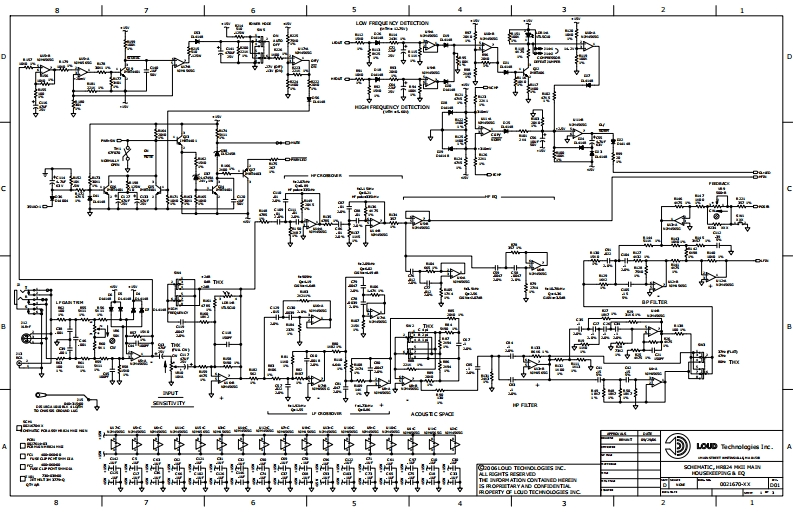
Mackie_HR824_MKII_Schematic电器原理图s

Mackie_HR824_MKII_Schematic电器原理图s-找手册网
Mackie_HR824_MKII_Schematic电器原理图s
此内容为付费资源,请付费后查看
1921
立即购买
您当前未登录!建议登陆后购买,可保存购买订单
付费资源

第1页 / 共3页

第2页 / 共3页

第3页 / 共3页
已完成全部阅读,共3
THE END
1DD8COPFLTER品、8明HP FITERAODUSTC SPACED经8o一学等章季季学手家章羊学学章荐手示LOUD Tachrelogis Ine.口✉a4口只aea感店猫猫西福硒口问可问问用问同闻同3说01670-减美:1
喜欢就支持一下吧
评论 抢沙发

请登录后发表评论

    请登录后查看评论内容