Mackie_HUI_Input-_PS-_CPU_Schematic电器原理图s

Mackie_HUI_Input-_PS-_CPU_Schematic电器原理图s-找手册网
Mackie_HUI_Input-_PS-_CPU_Schematic电器原理图s
此内容为付费资源,请付费后查看
1921
立即购买
您当前未登录!建议登陆后购买,可保存购买订单
付费资源

第1页 / 共13页

第2页 / 共13页

第3页 / 共13页

第4页 / 共13页

第5页 / 共13页

第6页 / 共13页

第7页 / 共13页

第8页 / 共13页

第9页 / 共13页

第10页 / 共13页
试读已结束,还剩3页,您可下载完整版后进行离线阅读
THE END
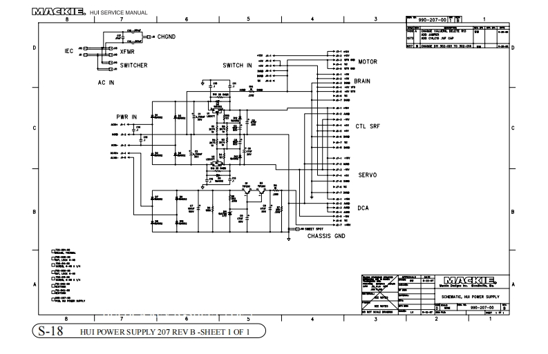
MAGKKIEHUI SERVICE MANUAL86990-207-00hl4他兰CHGNDIECXFMR林出SWITCHERSWITCH INMOTORB牌44+AC INBRAIN4中泰-F神+P省RN卡中-wCTL SRF4+44中4SERVO=4gDCACHASSISGND物IE口出c智芹muSCHENATIC.HA POWTR SUPPLY9-207-0S-18HUI POWER SUPPLY 207 REV B-SHEET 1 OF 1
喜欢就支持一下吧
评论 抢沙发

请登录后发表评论

    请登录后查看评论内容