Mackie_M2600_Service_Manual维修服务手册含电器原理图

Mackie_M2600_Service_Manual维修服务手册含电器原理图-找手册网
Mackie_M2600_Service_Manual维修服务手册含电器原理图
此内容为付费资源,请付费后查看
1921
立即购买
您当前未登录!建议登陆后购买,可保存购买订单
付费资源

第1页 / 共32页

第2页 / 共32页

第3页 / 共32页

第4页 / 共32页

第5页 / 共32页

第6页 / 共32页

第7页 / 共32页

第8页 / 共32页

第9页 / 共32页

第10页 / 共32页
试读已结束,还剩22页,您可下载完整版后进行离线阅读
THE END
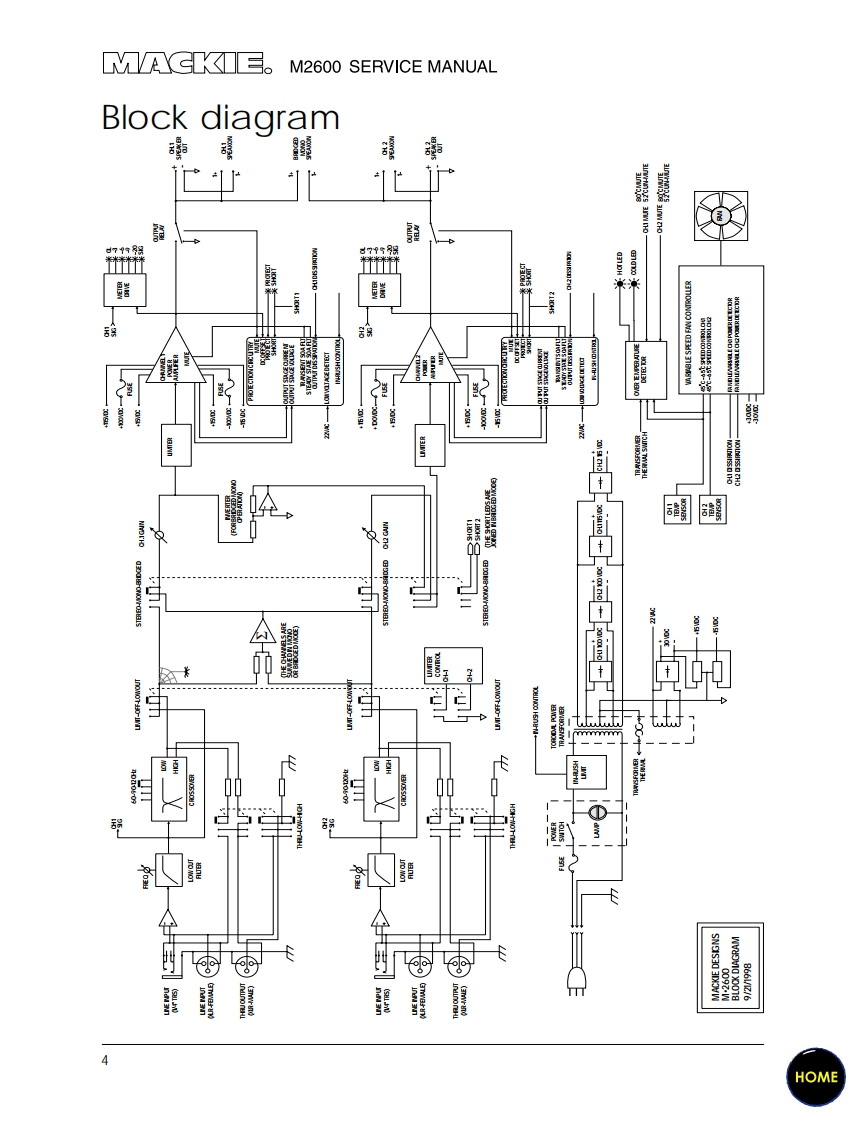
Go To BulletinsMACKEΛ2600FR Series Power Amplifier0©SERVICE MANUAL©1998,©1999 ACKIE DESIGNS,INC.820-180-00Page 3 is interactiveHOME
喜欢就支持一下吧
评论 抢沙发

请登录后发表评论

    请登录后查看评论内容