Mackie_M800_Service_Manual维修服务手册含电器原理图

Mackie_M800_Service_Manual维修服务手册含电器原理图-找手册网
Mackie_M800_Service_Manual维修服务手册含电器原理图
此内容为付费资源,请付费后查看
1921
立即购买
您当前未登录!建议登陆后购买,可保存购买订单
付费资源

第1页 / 共22页

第2页 / 共22页

第3页 / 共22页

第4页 / 共22页

第5页 / 共22页

第6页 / 共22页

第7页 / 共22页

第8页 / 共22页

第9页 / 共22页

第10页 / 共22页
试读已结束,还剩12页,您可下载完整版后进行离线阅读
THE END
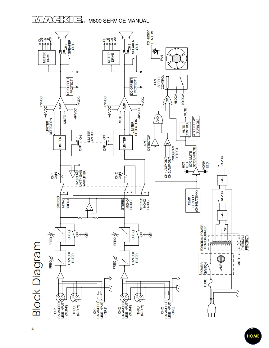
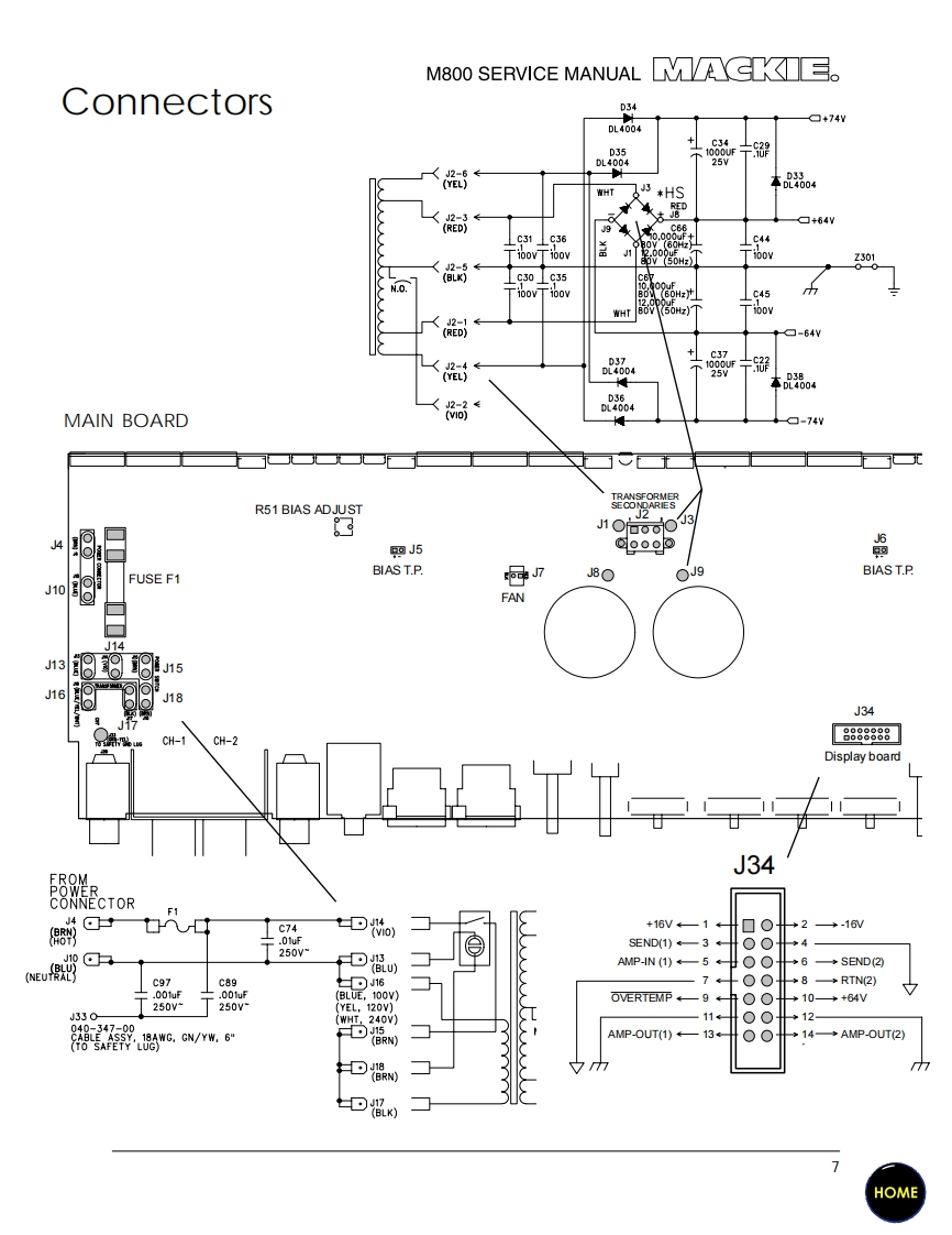
MACKEΛ800FR series power amplifier81四遥。®娘R里SERVICE MANUAL©1999,©2000 MACKIE DESIGNS,INC.820-215-00Page 3 is interactiveHOME
喜欢就支持一下吧
评论 抢沙发

请登录后发表评论

    请登录后查看评论内容