Mackie_MR5_mk3_Schematic电器原理图s

Mackie_MR5_mk3_Schematic电器原理图s-找手册网
Mackie_MR5_mk3_Schematic电器原理图s
此内容为付费资源,请付费后查看
1921
立即购买
您当前未登录!建议登陆后购买,可保存购买订单
付费资源

第1页 / 共2页

第2页 / 共2页
已完成全部阅读,共2
THE END
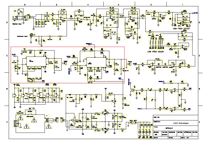
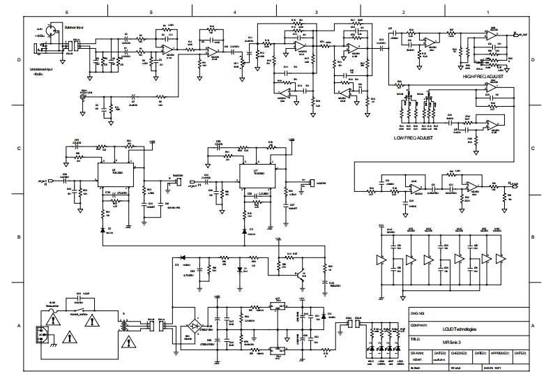
-M台“日进日LOWFREQ AOJUST竖“LOUDTardagsme5k3AAN雀DATE OCOSG
喜欢就支持一下吧
评论 抢沙发

请登录后发表评论

    请登录后查看评论内容