Mackie_Onyx_1640i_Main_Schematic电器原理图s

Mackie_Onyx_1640i_Main_Schematic电器原理图s-找手册网
Mackie_Onyx_1640i_Main_Schematic电器原理图s
此内容为付费资源,请付费后查看
1921
立即购买
您当前未登录!建议登陆后购买,可保存购买订单
付费资源

第1页 / 共20页

第2页 / 共20页

第3页 / 共20页

第4页 / 共20页

第5页 / 共20页

第6页 / 共20页

第7页 / 共20页

第8页 / 共20页

第9页 / 共20页

第10页 / 共20页
试读已结束,还剩10页,您可下载完整版后进行离线阅读
THE END
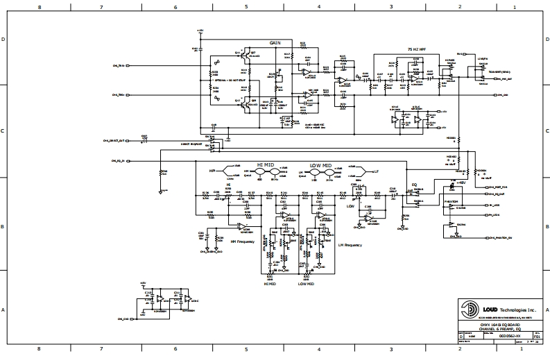
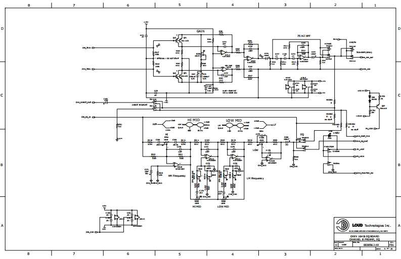
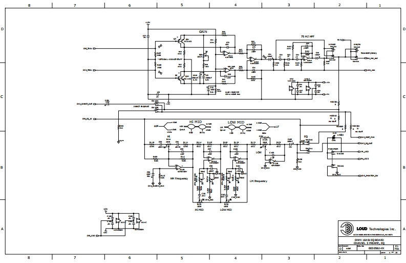
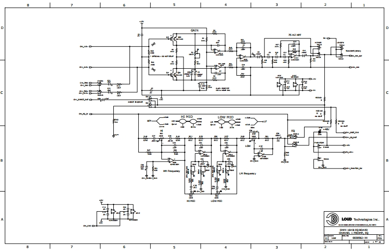
53CHANNELS FROM PODCHANNELS TO FADERDDOANNEL 1&2POWER (FROM POD)TO FADER BOARDC学罗卡罗型MISC (FRO叫POD)LOUD Tachrelogios Ine.2009-2011 LOUD INCONYX 1G40 EQ DOARD01m06n-051
喜欢就支持一下吧
评论 抢沙发

请登录后发表评论

    请登录后查看评论内容