Mackie_PPM1210_Power_Amp_Schematic电器原理图s

Mackie_PPM1210_Power_Amp_Schematic电器原理图s-找手册网
Mackie_PPM1210_Power_Amp_Schematic电器原理图s
此内容为付费资源,请付费后查看
1921
立即购买
您当前未登录!建议登陆后购买,可保存购买订单
付费资源

第1页 / 共2页

第2页 / 共2页
已完成全部阅读,共2
THE END
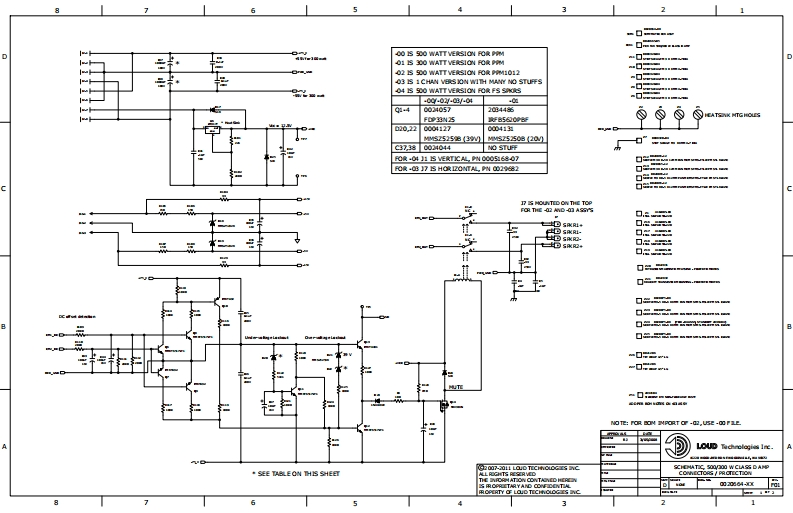
521=0✉DC0BS0 WATT VERSION FOR利D01 IS 300 WATT VERSION FOR PM02sS0WATE5图GN0液M101203 IS 1CHAN VERS JON WITH MANY NO STUFFS0w一04 IS S00 WATT VERSION FOR FS SPKRS-002-03-04q1.4004057203448¥FOP33N25w656200B2022C000年127000413红MMSZ52598(3)Ms2550820yC3738004044N0sU℉FOR-J1 IS VERTICAL,PN 0005168070FOR -03 J7 IS HOR IZONTAL,PN 0029682CI7 S MOUNTED ON THE TOPFOR THE -02 AND-0 ASSYS口巴卡口g巴三卡蝎融口■2口口■0“0一wmm口0品=2口经smn-0=二w-0二NO TE:FOR BOM IPORT OF -02,USE -00 FLE包LOUD Tachrelogios Ine.2007-2011 LOUD C·s经E TABLEON THIS SHEE1
喜欢就支持一下吧
评论 抢沙发

请登录后发表评论

    请登录后查看评论内容