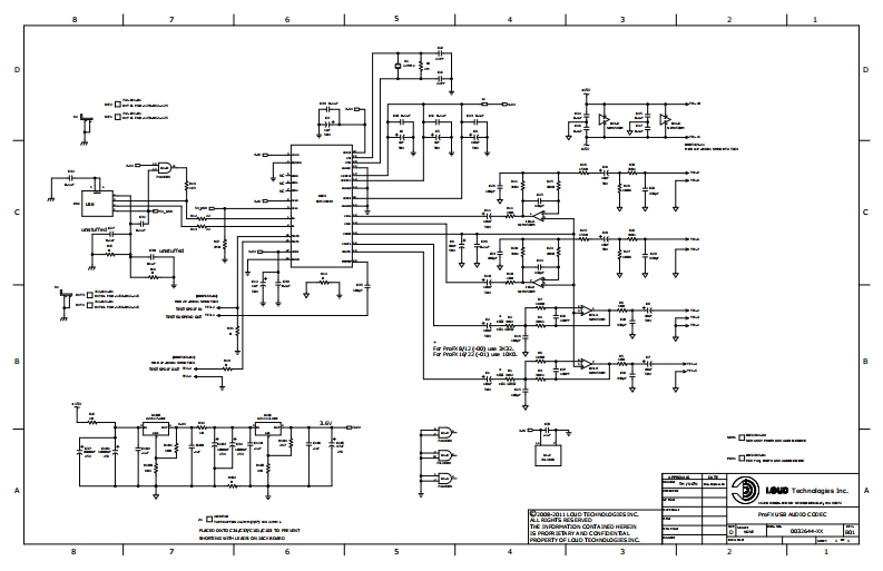
Mackie_ProFX16_USB_Codec_Schematic电器原理图

Mackie_ProFX16_USB_Codec_Schematic电器原理图-找手册网
Mackie_ProFX16_USB_Codec_Schematic电器原理图
此内容为付费资源,请付费后查看
1921
立即购买
您当前未登录!建议登陆后购买,可保存购买订单
付费资源

第1页 / 共1页
已完成全部阅读,共1
THE END
D02g器8品女白中年了广w=口wALu Techndogis he.他=马国wProFxus AuDOO CODEC90-a8
喜欢就支持一下吧
评论 抢沙发

请登录后发表评论

    请登录后查看评论内容