Mackie_SR1530_Schematic电器原理图s

Mackie_SR1530_Schematic电器原理图s-找手册网
Mackie_SR1530_Schematic电器原理图s
此内容为付费资源,请付费后查看
1921
立即购买
您当前未登录!建议登陆后购买,可保存购买订单
付费资源

第1页 / 共11页

第2页 / 共11页

第3页 / 共11页

第4页 / 共11页

第5页 / 共11页

第6页 / 共11页

第7页 / 共11页

第8页 / 共11页

第9页 / 共11页

第10页 / 共11页
试读已结束,还剩1页,您可下载完整版后进行离线阅读
THE END
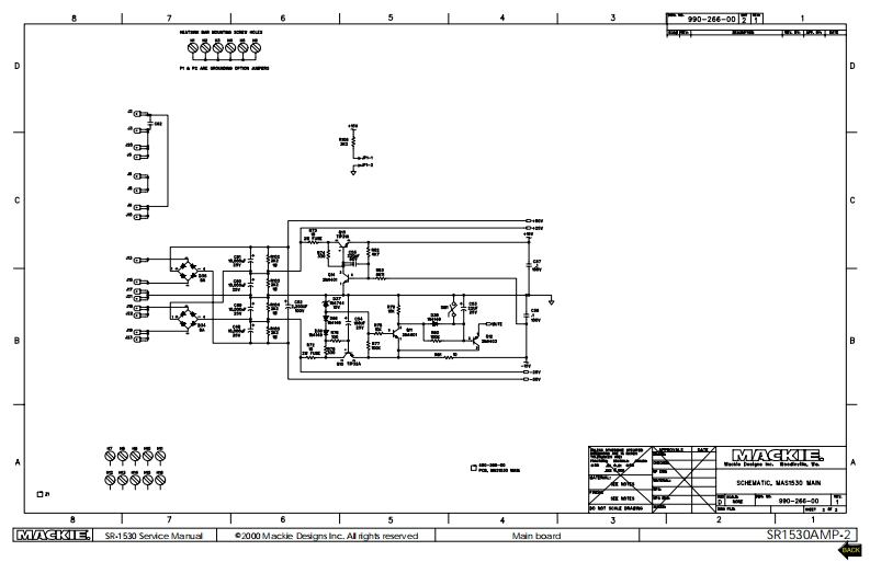
75920-266-007DD思留吕MAGKIE.实EMATIC..MAS535M口智✉aa时我跳眼90-26-30☐*1w2MAYSR-1530 Service Maniale2000 Mackie Designs ine.Al rights reservedMain boardSR1530AMP-1
喜欢就支持一下吧
评论 抢沙发

请登录后发表评论

    请登录后查看评论内容