Mackie_SR24.4_Preamp_(2)_Schematic电器原理图s

Mackie_SR24.4_Preamp_(2)_Schematic电器原理图s-找手册网
Mackie_SR24.4_Preamp_(2)_Schematic电器原理图s
此内容为付费资源,请付费后查看
1921
立即购买
您当前未登录!建议登陆后购买,可保存购买订单
付费资源

第1页 / 共7页

第2页 / 共7页

第3页 / 共7页

第4页 / 共7页

第5页 / 共7页

第6页 / 共7页

第7页 / 共7页
已完成全部阅读,共7
THE END
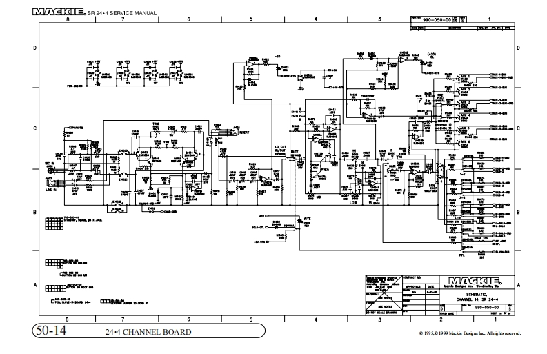
SR 24.4 SERVICE MANUAL90-050-0的5H1DD醇醒爵耳堂到8MAGKIE.AS0柜M花,OLL第44体I53124+4 CHANNEL BOARD50-1
喜欢就支持一下吧
评论 抢沙发

请登录后发表评论

    请登录后查看评论内容