Mackie_SR40-8-_SR56-8_Service_Manual维修服务手册含电器原理图

Mackie_SR40-8-_SR56-8_Service_Manual维修服务手册含电器原理图-找手册网
Mackie_SR40-8-_SR56-8_Service_Manual维修服务手册含电器原理图
此内容为付费资源,请付费后查看
1921
立即购买
您当前未登录!建议登陆后购买,可保存购买订单
付费资源

第1页 / 共63页

第2页 / 共63页

第3页 / 共63页

第4页 / 共63页

第5页 / 共63页

第6页 / 共63页

第7页 / 共63页

第8页 / 共63页

第9页 / 共63页

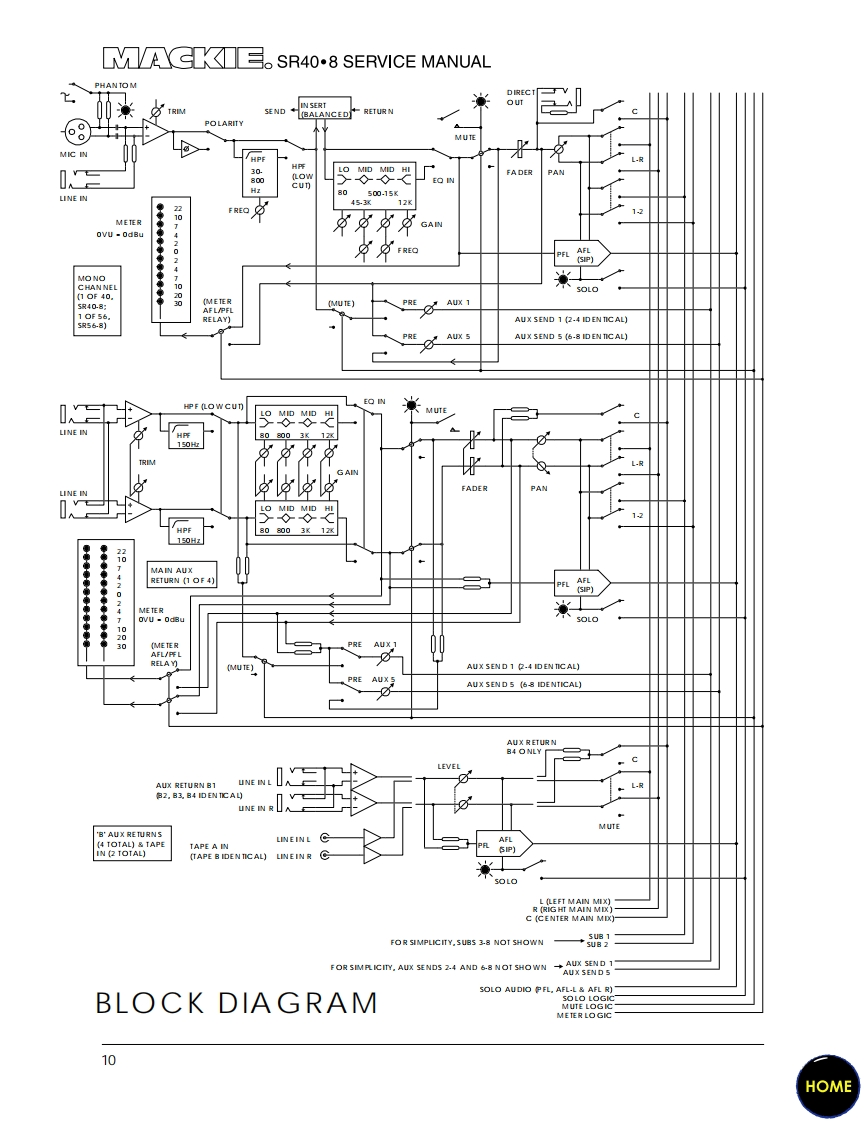
第10页 / 共63页
试读已结束,还剩53页,您可下载完整版后进行离线阅读
THE END
Go To BulletinsMACKESR40·8SR56·8SERVICE MANUALVERSION 1.1©1997,©1999 MACKIE DES1GNS,INC820-176-00Page 3 is interactiveHOME
喜欢就支持一下吧
评论 抢沙发

请登录后发表评论

    请登录后查看评论内容