Mackie_SRM350_Input_Board_Schematic电器原理图s

Mackie_SRM350_Input_Board_Schematic电器原理图s-找手册网
Mackie_SRM350_Input_Board_Schematic电器原理图s
此内容为付费资源,请付费后查看
1921
立即购买
您当前未登录!建议登陆后购买,可保存购买订单
付费资源

第1页 / 共3页

第2页 / 共3页

第3页 / 共3页
已完成全部阅读,共3
THE END
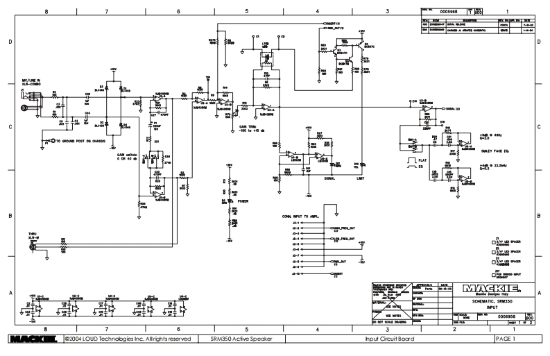
030s0t8圆DD持艺T端拉4u品CON NPUT TO AMPL-4德4OJMLAR94出wa1¥-吊品MAGKIE.30-nTG,U59UT重的5C0263561w25212004 LOUD Technologies ine.Allrights reservedSRM350 Acfve Sp台Gkrnput Cireuit BoardPAGE 1
喜欢就支持一下吧
评论 抢沙发

请登录后发表评论

    请登录后查看评论内容