Mackie_SRM450_(Rev.E)_Schematic电器原理图s

Mackie_SRM450_(Rev.E)_Schematic电器原理图s-找手册网
Mackie_SRM450_(Rev.E)_Schematic电器原理图s
此内容为付费资源,请付费后查看
1921
立即购买
您当前未登录!建议登陆后购买,可保存购买订单
付费资源

第1页 / 共6页

第2页 / 共6页

第3页 / 共6页

第4页 / 共6页

第5页 / 共6页

第6页 / 共6页
已完成全部阅读,共6
THE END
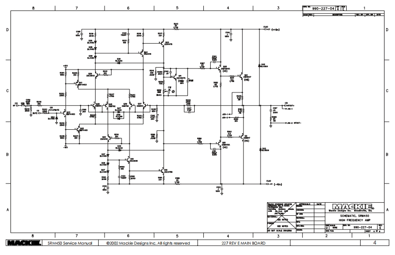
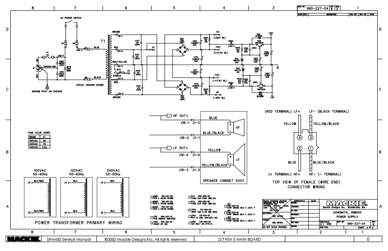
990-227-04DDc器他蜡指●空Bg的准车动s绿0港IB置E日0满板CE5EC2T0EL4”MAGKIE.A50uTG,459UT90-217-041w12SRM450 Service Manud2002 Mackie Designs ine.Al rights reserved227 REV E MAIN BOARD
喜欢就支持一下吧
评论 抢沙发

请登录后发表评论

    请登录后查看评论内容