Mackie_SWA1501_AMP_board

Mackie_SWA1501_AMP_board-找手册网
Mackie_SWA1501_AMP_board
此内容为付费资源,请付费后查看
1921
立即购买
您当前未登录!建议登陆后购买,可保存购买订单
付费资源

第1页 / 共6页

第2页 / 共6页

第3页 / 共6页

第4页 / 共6页

第5页 / 共6页

第6页 / 共6页
已完成全部阅读,共6
THE END
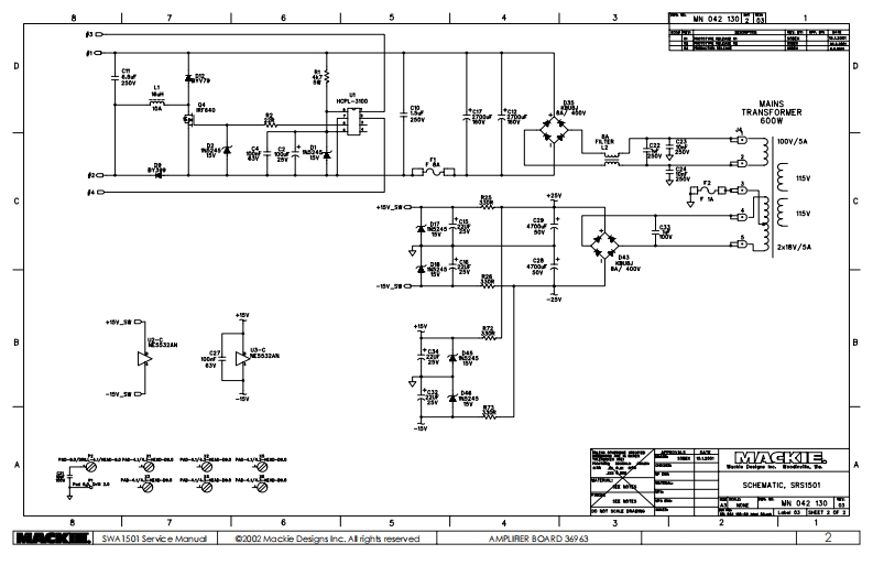
w042150M中两DU8的8中MJTE80-OUTe等的e蹈的橙四MVRE☒E.A子出E品SCHENATIC,SRS1501MTMMLEX16521SWA1501 Service Manud2002 Mackie Designs Ine.Al rights reservedAMPLIRER BOARD 36963
喜欢就支持一下吧
评论 抢沙发

请登录后发表评论

    请登录后查看评论内容