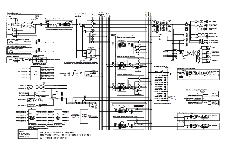
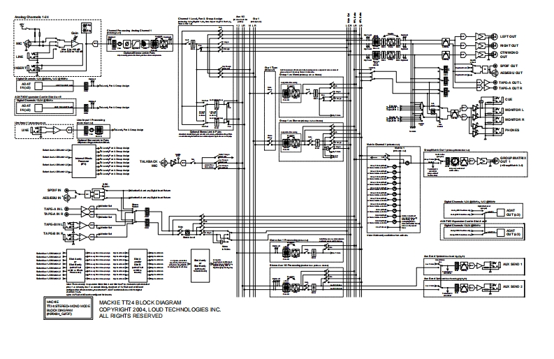
Mackie_TT24_Block_Diagrams找手册网2小时前发布关注私信0.88MB2页022Mackie_TT24_Block_Diagrams此内容为付费资源,请付费后查看¥19¥21黄金会员免费钻石会员免费立即购买您当前未登录!建议登陆后购买,可保存购买订单付费资源 第1页 / 共2页 第2页 / 共2页 已完成全部阅读,共2页 THE ENDMackie 文本预览 91回四话②LOFTOUT这@士POUT蛋BB8@T-ATLd特wg巨套0因阳☒®mE@TAPEAINLTAEN连@世士.团Pw@工.阳型w@Ti老TaG6,G0mGMACKIE TT24 BLOCK DIAGRAMCOPYRIGHT 2004,LOUD TECHNOLOGIES INC.ocIoAdatsALL RIGHTS RESERVED 查看更多 收起部分 喜欢就支持一下吧收藏
请登录后查看评论内容