

第1页 / 共15页

第2页 / 共15页

第3页 / 共15页

第4页 / 共15页

第5页 / 共15页
试读已结束,还剩10页,您可下载完整版后进行离线阅读
THE END
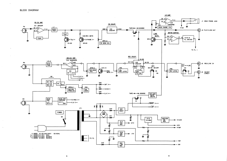
S/M Code No.89-056 DATE OF ISSUE 8/1989-IAWAAD-F800SERVICEMANUALSTEREO CASSETTE DECK●BASIC TAPE MECHANISM:a -12·TYPE.H,U,C,E,KZSPECIFICATIONSTypeStereo cassette tape deckHeadsPlayback head x 1Track format4 tracks,2 channels(PC-OCC coil super DX head)Power supplyAD-FBOOE,ZRecording head x 1AC 220 V.50/60 Hz(PC-OCC coll super DX head)AD-F800KErase head×1AC240Y,50/60HzDouble-gap sendust head)AD-F800U,CInputsREC/LINE IN,CD/DAT DIRECT INAC 120 V,60 Hzmaximum input sensitivity:50 mVAD-F800H(47kQ)AC120V220V240VOutputsPLAY/LINE OUT standard outputswitchable,50/60 Hzlevel:450 mV (0 VU);suitable loadPower consumptionimpedance:over 50 ko19WPHONES:1.5 mW (32 Q)Frequency responseDimensions430WM×141H)×317(D)mmMETAL tape:10-20.000 HzWeight5.1kgCrO2 tape:10-19,000HzNORMAL tape:10-18,000 HzSignal-to-noise ratio80 dB (METAL tape DOLBY C NRON above 5 kHz)Wow and flutter0.065%(according to DIN 45500).Design and specifications are subject to change0.035%WRMS)wi thout notice.Tape speed4.8 cm/sec.(17/ips)Recording system AC bias (frequency 85 kHz).Dolby noise reduction and HX Pro headroom exten-Erase systemAC erasesion manufactured under license from Dolby Labora-MotorDC servomotor×1tories Licensing Corporation.HX Pro originated byBang Olufsen.DC motor×1●"Dolby"the double-D symbol and "HX PRO"are trademarks of Dolby Laboratories LicensingCorporation.AIWA Co.,Ltd.Tokyo JapanPrinted in JapanL481
请登录后查看评论内容