

第1页 / 共20页

第2页 / 共20页

第3页 / 共20页

第4页 / 共20页

第5页 / 共20页
试读已结束,还剩15页,您可下载完整版后进行离线阅读
THE END
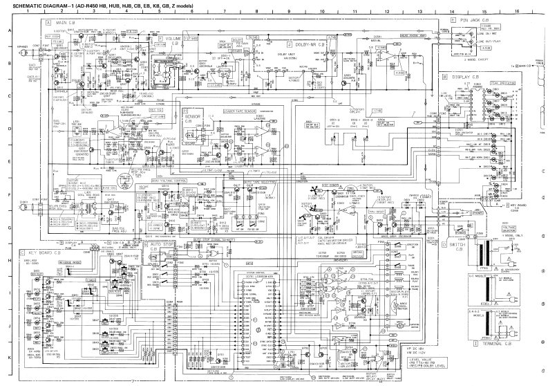
AIWAS/M Code No.84-025DATE OF ISSUE 9/1984SERVICEMANUALMODEL NO.STEREO CASSETTEDECKAD-R450TYPE.HB,HUB,HJB,CB,EB,KB,GB,ZSPECIFICATIONSTypeStereo cassette tape deckRecording system AC bias (frequency 85 kHz)Track format4 tracks 2 channelsErase systemAC erasePower supplyAD-R450 E.ZMotorDC Servomotor x 1,DC Motor x1AC220V,50/60HzHeadDX headAD-R450K.GInputsLINE IN maximum inputAC240V,50/60Hzsensitivity:50 mV (over 50 kn)AD-R450U,CDIN max sensitivity (Z model only)AC 120V,60 Hz0.1 mV/kn (3.3 kn)AD-R450 H,HU.HJOutputsLINE OUT standard output level:AC 120 V/220 V-240 V switchable,0.4 V (0 VU);suitable load50/60Hzimpedance:over 50 kn;PowerDIN standard level (Z model only):consumption15W0.4V(0 VU)FrequencyHeadphones:8-32nresponseMETAL tape:20-18,000HzDimensions4200WM×110H)×300(D)mmCrO:position tape:20-17,000 HzWeight4.4kgNORMAL tape:20-16.000HzAccessoriesStereo pin cord(2)Signal-to-noiseratio73 dB (METAL tape DOLBY C NRON)Design and specifications are subject to change withoutWow and flutternotice,According to DIN 45 500 0.1%Noise reduction system manufactured under license0.04%(WRMS)from Dolby Laboratories Licensing Corporation.Tape speed4.8 cm/sec.(1-7/8 ips).Dolby and the a symbol are trademarks of DolbyRewind time70sec.(C-60)laboratories licensing corporation.Fast forward time 70 sec.(C-60)
请登录后查看评论内容