手册编号143:Icom_IC-M700TY_电器原理说明书手册

手册编号143:Icom_IC-M700TY_电器原理说明书手册新质力文库 - 聚焦新质生产力发展的数字化知识库_行业洞察 / 理论成果 / 实践指南免费下载新质力文库
手册编号143:Icom_IC-M700TY_电器原理说明书手册
此内容为付费资源,请付费后查看
17.523
立即购买
您当前未登录!建议登陆后购买,可保存购买订单
付费资源

第1页 / 共9页
试读已结束,还剩8页,您可下载完整版后进行离线阅读
THE END
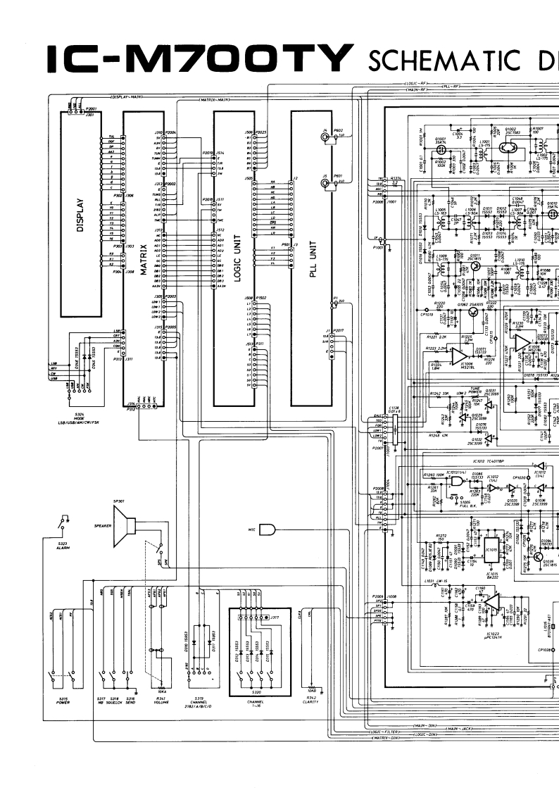
C-M700TY SCHEMATIC Ddedi-as具Lw青清-鲜升密璃邂器INN 77d樱轻②蕊220R线9w”o批o删ns。EOGIC-OIWP
喜欢就支持一下吧
评论 抢沙发

请登录后发表评论

    请登录后查看评论内容