liftx_elevated_platforms_new_zealand_S1323-AWD-SL1623-AWD-零部件图纸手册(SM0118213A_Rev1.0)

liftx_elevated_platforms_new_zealand_S1323-AWD-SL1623-AWD-零部件图纸手册(SM0118213A_Rev1.0)-找手册网
liftx_elevated_platforms_new_zealand_S1323-AWD-SL1623-AWD-零部件图纸手册(SM0118213A_Rev1.0)
此内容为付费资源,请付费后查看
2931
立即购买
您当前未登录!建议登陆后购买,可保存购买订单
付费资源

第1页 / 共148页

第2页 / 共148页

第3页 / 共148页

第4页 / 共148页

第5页 / 共148页

第6页 / 共148页

第7页 / 共148页

第8页 / 共148页

第9页 / 共148页

第10页 / 共148页
试读已结束,还剩138页,您可下载完整版后进行离线阅读
THE END
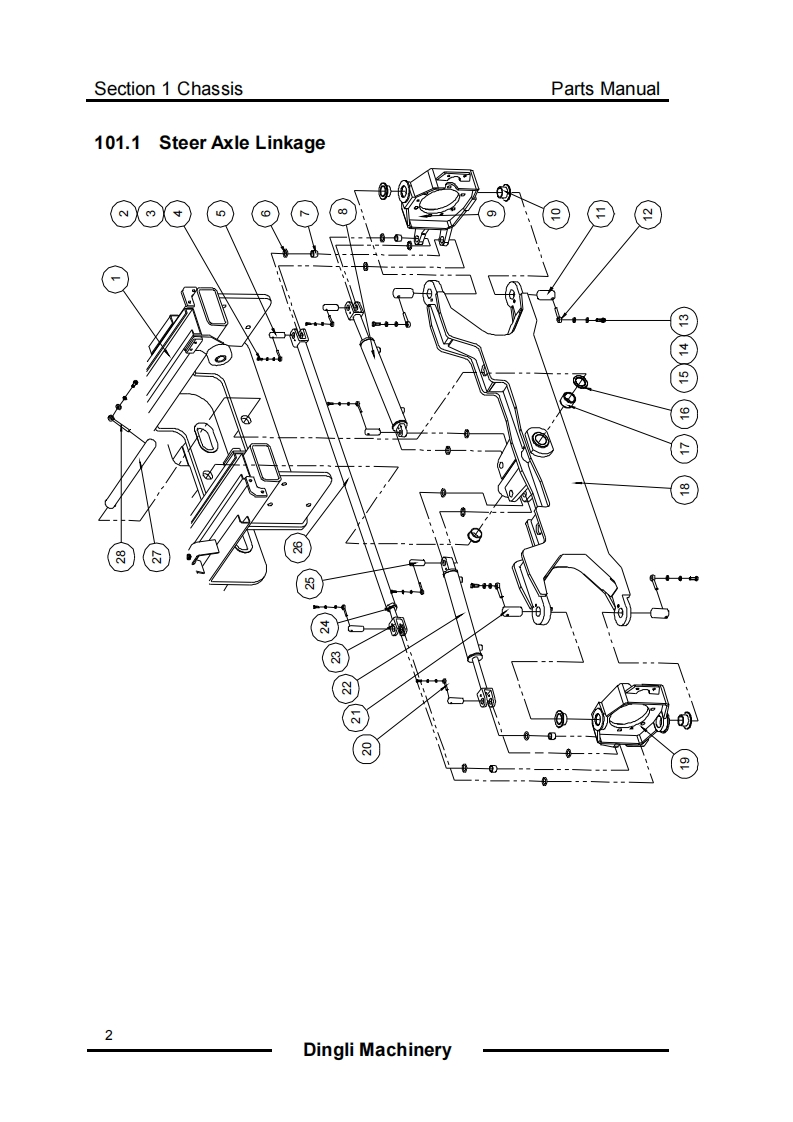
SELF-PROPELLED ROUGH-TERRAIN SCISSOR LIFTSPARTS MANUALFor SL1323-AWD/SL1623-AWDA①NARNINGUNQUALIFIED TECHNICIANS AND IMPROPER USE OF THE MACHINEDO NOT OPERATE THIS MACHINE UNTIL YOU READ AND UNDERSTANDALL THE DANGERS,WARN INGS AND CAUTIONS IN THIS MANUALPart Number:SM0118211A Rev1.0cEZhejiang Dingli Machinery Co.,Ltd.First Edition,August 2018 Printing
喜欢就支持一下吧
评论 抢沙发

请登录后发表评论

    请登录后查看评论内容