

第1页 / 共114页

第2页 / 共114页

第3页 / 共114页

第4页 / 共114页

第5页 / 共114页

第6页 / 共114页

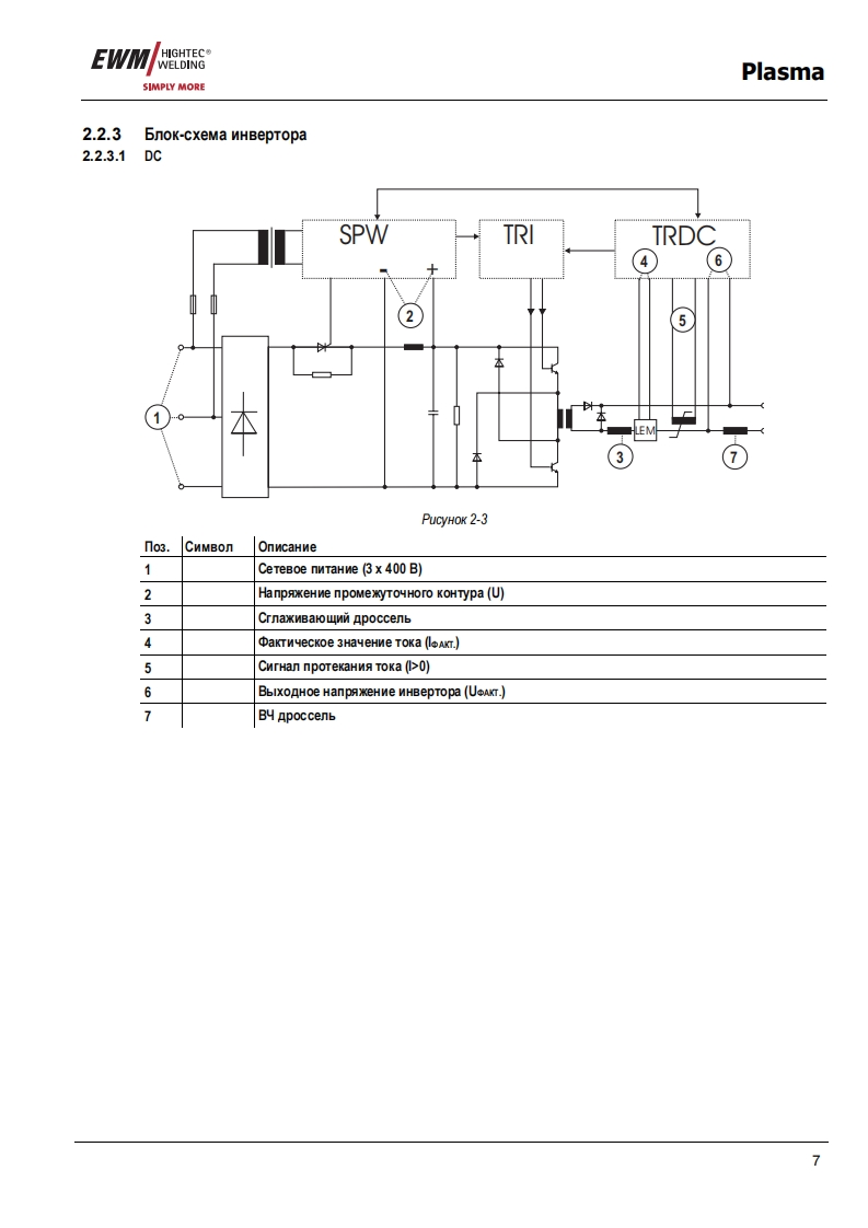
第7页 / 共114页

第8页 / 共114页

第9页 / 共114页

第10页 / 共114页
试读已结束,还剩104页,您可下载完整版后进行离线阅读
THE END
EWMHIGHTEC®AHRE GARANIWELDINGHIGHTECWELDING/PREMIUM QUALITYSIMPLY MOREYEARS WARRANTYEWMHIGHTEC WELDING GmbHDr.Gunter-Henle-StraBe 8 DD-56271 MundersbachPhone:+49268018101Fax:+492680181244www.ewm.de info@ewm.deRUMHcTpyKyna no o6cnyxnBaHnoEWM TETRIX Plasma©2008MoryT BHOCHTbCA M3MeHeHNA!ApT.恤:099-SPLTET-EWM08no CocTOAHMO Ha:26.02.2008
请登录后查看评论内容