

第1页 / 共84页

第2页 / 共84页

第3页 / 共84页

第4页 / 共84页

第5页 / 共84页

第6页 / 共84页

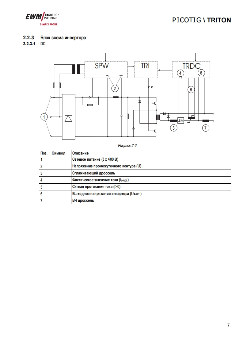
第7页 / 共84页

第8页 / 共84页

第9页 / 共84页

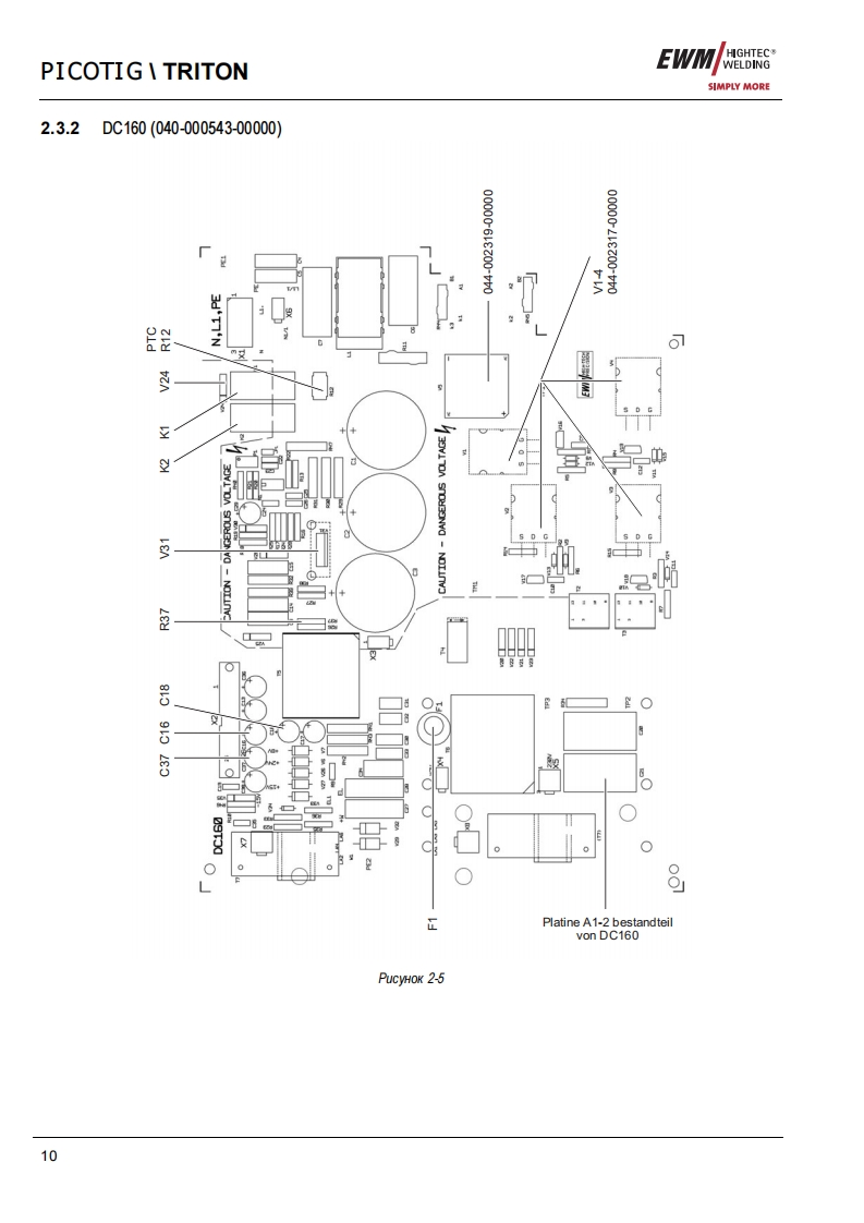
第10页 / 共84页
试读已结束,还剩74页,您可下载完整版后进行离线阅读
THE END
EWMHIGHTEC®分JAHRE GARANTWELDINGHIGHTECWELDING/PREMIUM QUALITYSIMPLY MOREA3YEARS WARRANTYEWMHIGHTEC WELDING GmbHDr.Gunter-Henle-StraBe 8 D-56271 MundersbachPhone:+4926801810Fax:+492680181244www.ewm.de info@ewm.deRUMHcTpykyna no o6cnyxnBaHnoEWM TRITON©2008MoryT BHOCHTbCA M3MeHeHMA!ApT.恤:099-STRITO-EWMO8no CocTOAHMHO Ha:04.01.2008
请登录后查看评论内容