

第1页 / 共53页

第2页 / 共53页

第3页 / 共53页

第4页 / 共53页

第5页 / 共53页

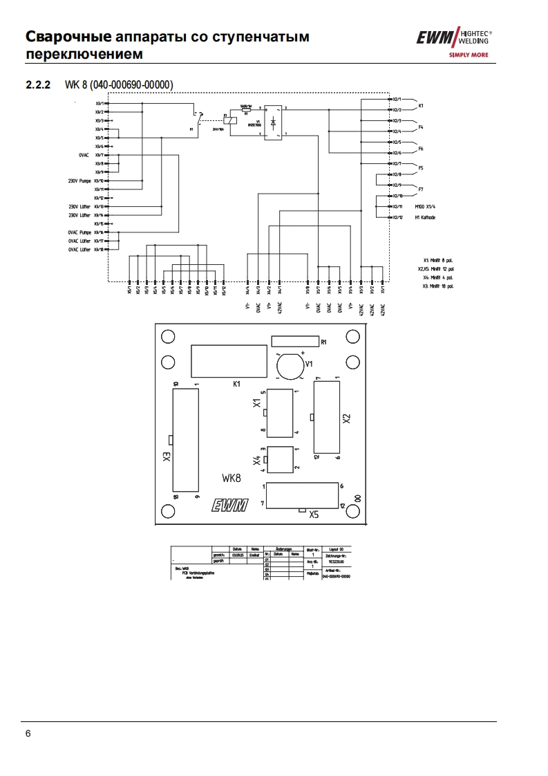
第6页 / 共53页

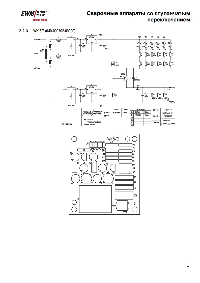
第7页 / 共53页

第8页 / 共53页

第9页 / 共53页

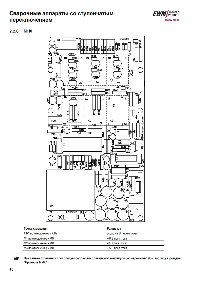
第10页 / 共53页
试读已结束,还剩43页,您可下载完整版后进行离线阅读
THE END
EWMHIGHTEC®,代EGARWELDINGHIGHTECWELDING/PREMIUM QUALITYSIMPLY MOREA YEARS WARRANTYAEWMHIGHTEC WELDING GmbHDr.Gunter-Henle-StraBe 8 D-56271 MundersbachPhone:+4926801810Fax:+492680181244www.ewm.de info@ewm.deRUXMHCTpyKuna no o6cnyxnBaHnoWEGA/SATURN/MIRA©2008MoryT BHOCHTbCA M3MeHeHMA!ApT.恤:099-SSTUFE-EWM08no CocTOAHMHO Ha:04.01.2008
请登录后查看评论内容