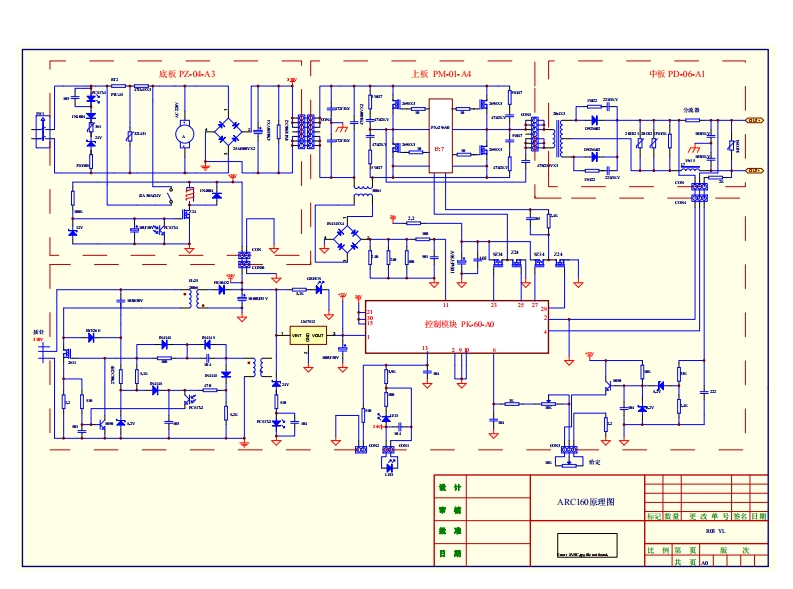
ARC-165-(Z119)电器原理图找手册网3小时前发布关注私信82.98KB1页039ARC-165-(Z119)电器原理图此内容为付费资源,请付费后查看¥19¥21黄金会员免费钻石会员免费立即购买您当前未登录!建议登陆后购买,可保存购买订单付费资源 第1页 / 共1页 已完成全部阅读,共1页 THE END福尼斯焊机/佳士焊机 文本预览 底板PZ04A3上版PM-01-A4中版PD-06.A1流些705粒割模块PK600设计ARC160原理图习题量更政单号签名日期m:Nr'&比第 查看更多 收起部分 喜欢就支持一下吧收藏
请登录后查看评论内容