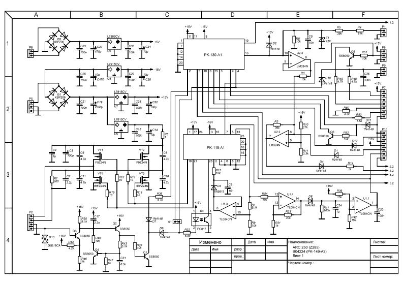
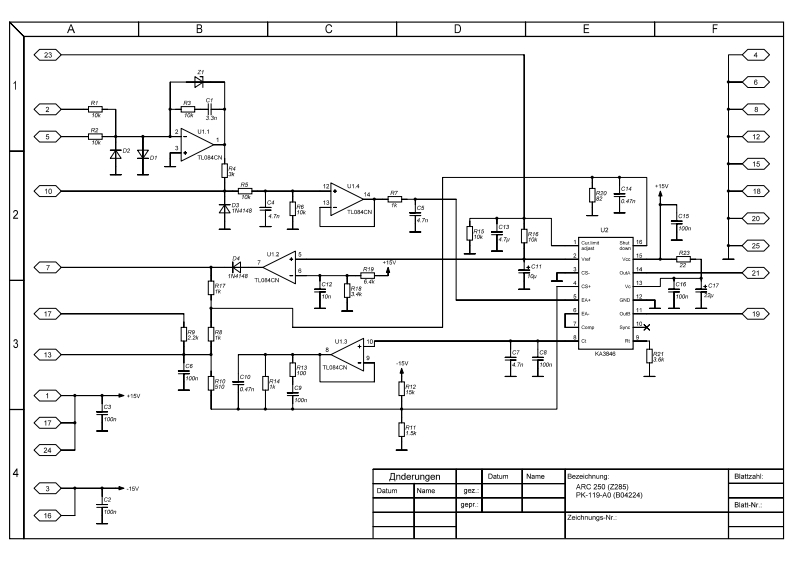
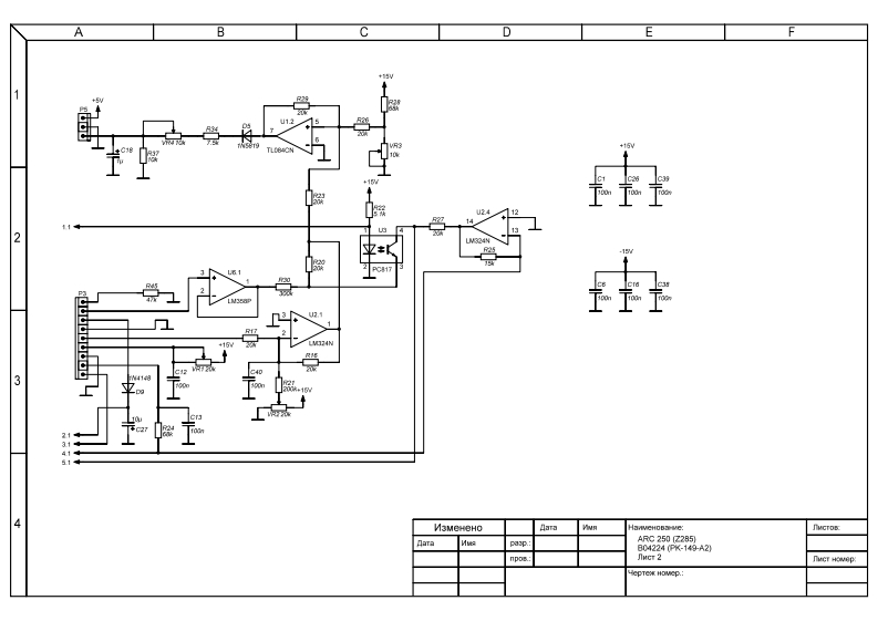
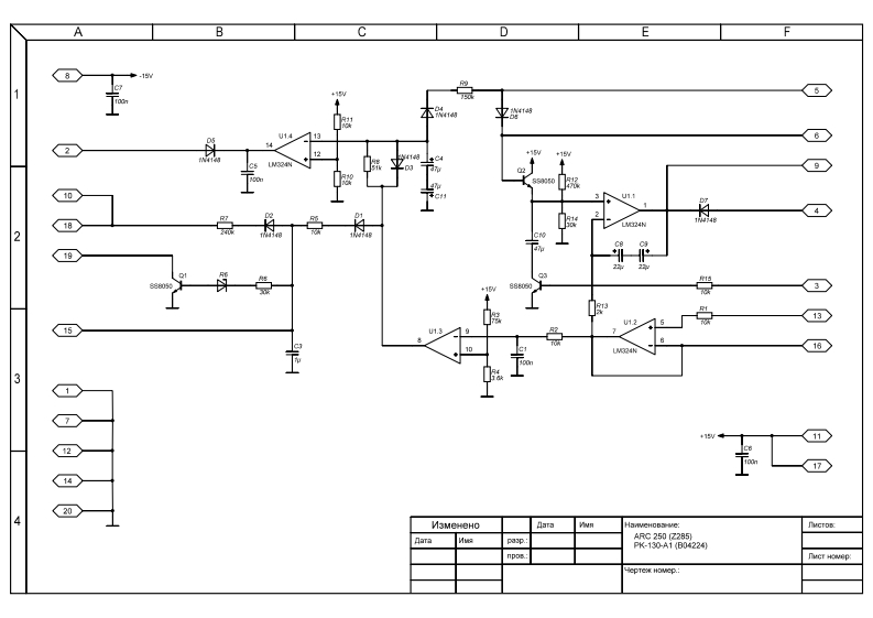
ARC-250-(Z285)-(B04224)电器原理图找手册网3小时前发布关注私信0.46MB4页030ARC-250-(Z285)-(B04224)电器原理图此内容为付费资源,请付费后查看¥19¥21黄金会员免费钻石会员免费立即购买您当前未登录!建议登陆后购买,可保存购买订单付费资源 第1页 / 共4页 第2页 / 共4页 第3页 / 共4页 第4页 / 共4页 已完成全部阅读,共4页 THE END福尼斯焊机/佳士焊机 文本预览 ABCDE121空下15W95PK-130A18805女空字王、002丰空率玉+15+15Y1回4722FK.119-A1F02022◆323-521415/+14+1/几084C利883560PC317☑D134M3MeHBHOAaraJMcrosMuea4R0250Z28)Aarapasp.0042240PK-149-A2npos.JMcr 1几NGH3wmp 查看更多 收起部分 喜欢就支持一下吧收藏
请登录后查看评论内容